Hochspannungs-Ladesystem warten
-
oeggoe
Re: Hochspannungs-Ladesystem warten
GUten Abend
Hatte letzte Woche meinen Ampera beim FOH für das 6J Service und
Pickerl (für Österreich) resp. TÜV (für Deutschland)
Hat ca. 400,- gekostet (Ol, Filter,..)
Zum Thema der "stillen reserve" des Akkus konnten sie mir keine Neuigkeiten nennen.
Ein Update, daß mir die urspr. Reichweite wieder bringt, gibt es nicht!!
I find das ein bißl ärgerlich
Aber offensichtlich ist man da machtlos
Einen schönen Abend noch
Peter
Hatte letzte Woche meinen Ampera beim FOH für das 6J Service und
Pickerl (für Österreich) resp. TÜV (für Deutschland)
Hat ca. 400,- gekostet (Ol, Filter,..)
Zum Thema der "stillen reserve" des Akkus konnten sie mir keine Neuigkeiten nennen.
Ein Update, daß mir die urspr. Reichweite wieder bringt, gibt es nicht!!
I find das ein bißl ärgerlich
Aber offensichtlich ist man da machtlos
Einen schönen Abend noch
Peter
- Ampera-Fan
- 500 kW - overdrive
- Beiträge: 978
- Registriert: 12. Aug 2011 19:49
- Wohnort: Fürth/Odenwald
- Kontaktdaten:
Re: Hochspannungs-Ladesystem warten
mit Bremsen meinst du wahrscheinlich die Bremsscheiben, oder?harry_ooe hat geschrieben: 27. Nov 2018 20:16
Die Bremsen sind im Prinzip alle 2 Jahre hinüber (Rost) - fahre viel mit L
Der Wechsel der Kühlflüssigkeit ist IMHO rein zur Auffüllung der Kassen gedacht.
Eigentlich braucht er alles., was ein Verbrennen braucht, und zusätzlich das, was bei einem EV notwendig ist...
Meine sind noch wie neu, obwohl ich sehr wenig bremse.
Wir wissen ja, daß es zwei verschiedene Qualitäten gibt.
Das wissen aber anscheinend die Werkstätten nicht, denn sonst sollten die doch die bessere Qualität beim Austausch verwenden.
Oder bin ich da zu naiv?

ePionier seit 17.11.2010, Ampera-Besitzer seit 19.10.2012 (MJ2013 DU103xxx)
Gesamtverbrauch (Strom plus Benzin) für 103300 km: ca. 23,4 kWh/100km,
Anteil elektrisch/fossil (80,8%/19,2%) - 83473 km mit 14006 kWh=16,6 kWh/100km ab Steckdose - 19408 km mit 1067 ltr.=5,5 ltr./100km, Lebensdauerverbrauch=1,03 ltr./100km (Stand:23.10.2025)
übrigens: der (bezahlte) Strom kommt von EWS (1g CO²/kWh), physikalisch aber oft von der PV-Anlage
-
jamaicaman
- 2,2 kW - wird noch geladen
- Beiträge: 8
- Registriert: 14. Nov 2016 12:58
- Kontaktdaten:
Re: Hochspannungs-Ladesystem warten
so mein Ampera ist nun endlich in der Werkstatt... heute kam der Anruf: Wieder mal ein Softwareproblem. Da die Fehlersuche aber so aufwendig gewesen sein berechnen Sie mir 370€...
Naja dann soll der Ampera eh verkauft werden. Da ich jetzt einen Firmenwagen bekomme muss ich mich leider von ihm trennen.
Naja dann soll der Ampera eh verkauft werden. Da ich jetzt einen Firmenwagen bekomme muss ich mich leider von ihm trennen.
-
akkusoon
- 111 kW - voll elektrisch
- Beiträge: 482
- Registriert: 15. Mär 2017 17:19
- Wohnort: bei Düsseldorf
- Kontaktdaten:
Re: Hochspannungs-Ladesystem warten
Man hat schon das Gefühl, dass es "Freudliche" gibt, die uns Ampera-Fahrer als Melkkühe missbrauchen.jamaicaman hat geschrieben: 19. Dez 2018 11:10 so mein Ampera ist nun endlich in der Werkstatt... heute kam der Anruf: Wieder mal ein Softwareproblem. Da die Fehlersuche aber so aufwendig gewesen sein berechnen Sie mir 370€...
Naja dann soll der Ampera eh verkauft werden. Da ich jetzt einen Firmenwagen bekomme muss ich mich leider von ihm trennen.
Motto: Die müssen's eh akzeptieren..
nie wieder fossil, kein Blutgeld für Spritt !...
-
Tojin23
- 111 kW - voll elektrisch
- Beiträge: 266
- Registriert: 28. Jan 2015 19:53
- Kontaktdaten:
Re: Hochspannungs-Ladesystem warten
Mich hat´s jetzt auch erwischt.
Fehlercode P1F0E: Batterieladung Spannungssystem Isolierung verloren
Fehlercode P1EC6: Hybrid-/Elektrofahrzeug Batteriepaket Heizung Leistungsvermögen
Fehlercode P1FFF:
Was das denn????
Sieht auf den ersten Blick nicht nach Kühlwasserstand aus.
Der ist wie schon seit Jahren noch an der Schweißnaht vom Behälter. Bisher gab´s da keine Probleme!
Hat Jemand ne Idee zu P1FFF?
Fehlercode P1F0E: Batterieladung Spannungssystem Isolierung verloren
Fehlercode P1EC6: Hybrid-/Elektrofahrzeug Batteriepaket Heizung Leistungsvermögen
Fehlercode P1FFF:
Sieht auf den ersten Blick nicht nach Kühlwasserstand aus.
Der ist wie schon seit Jahren noch an der Schweißnaht vom Behälter. Bisher gab´s da keine Probleme!
Hat Jemand ne Idee zu P1FFF?
Ampera MJ2012 in Lithium Weiß
-
Cyberjack
- 500 kW - overdrive
- Beiträge: 1163
- Registriert: 20. Nov 2013 00:43
- Wohnort: Vorarlberger Unterland (A) Mod. 2012A CU1183XX
- Kontaktdaten:
Re: Hochspannungs-Ladesystem warten
Ganz spontan wuerde ich den Wasserkocher im Verdacht haben. Geht die Innenraumheizung noch im reinen Elektrobetrieb?
M.
M.
- Markus Dippold
- 1.21 Gigawatt
- Beiträge: 4592
- Registriert: 11. Okt 2012 11:46
- Kontaktdaten:
Re: Hochspannungs-Ladesystem warten
Ich würde die Akkukühlflüssigkeit etwas höher einfüllen, die Codes mit Torque löschen und gucken, was passiert.
- Opel Ampera ePionier, lithiumweiß, Modelljahr 2012Besitz und Datenerfassung seit 13.12.2012
Kilometerstand: 219997km
179991km elektrisch, 16.15kWh/100km ab Akku
33447km RE-Betrieb, 6.03l/100km
LDV 1.1l, persönlicher LDV 0.96l
Anzahl Akkuvollzyklen: 1816
aktuelle Sommer-Alltagsreichweite: 70km
Stand 31.08.2025
Meine Solaranlage
-
Tojin23
- 111 kW - voll elektrisch
- Beiträge: 266
- Registriert: 28. Jan 2015 19:53
- Kontaktdaten:
Re: Hochspannungs-Ladesystem warten
Ja Heizung Innenraum geht noch, auch die von der Batterie.
Den Pegel lass ich vom FOH noch 1cm anheben dann. Ich muss ja eh hin wie es aussieht. Hab das Zeug eh nicht da.
Den Pegel lass ich vom FOH noch 1cm anheben dann. Ich muss ja eh hin wie es aussieht. Hab das Zeug eh nicht da.
Ampera MJ2012 in Lithium Weiß
- Andreas Ranftl
- 1.21 Gigawatt
- Beiträge: 1188
- Registriert: 21. Nov 2016 22:59
- Wohnort: 83377 Vachendorf
- Kontaktdaten:
Re: Hochspannungs-Ladesystem warten
– Meldung SERVICE HOCHVOLT-LADESYSTEM wird im Fahrer-Info-Center angezeigt.
– Die Motorkontrollleuchte leuchtet.
– Das Laden der Plug-in-Hybrid-Batterie kann nicht durchgeführt werden.
Ursache
Ursache für alle oben aufgeführten Probleme kann ein zu niedriger Kühlmittelstand des Hybrid/EV-Batteriepakets, eine Funktionsstörung des Kühlmittelstandsensors des Hybrid/EV-Batteriepakets oder ein Verlust der Isolation des Hochvoltsystems sein.
Korrektur
Bei einer Kundenbeanstandung folgende Informationen in die Überlegungen einbeziehen:
– Fehlercode P1FFB, Sensor Kühlmittelstand Hybrid/EV-Batteriepaket Stromkreis
– Fehlercode P1FFC, Sensor Kühlmittelstand Hybrid/EV-Batteriepaket Stromkreis Spannung zu niedrig
– Fehlercode P1FFD, Sensor Kühlmittelstand Hybrid/EV-Batteriepaket Stromkreis Spannung zu hoch
– Fehlercode P1FFE, Kühlmittelstand Hybrid/EV-Batteriepaket zu niedrig
– Fehlercode P1FFF, Systemisolation / Störung Sensor Kühlmittelstand - Ladesystem Hybrid/EV-Batterie deaktiviert
– Fehlercode P1EC6, Heizung Hybrid/EV-Batteriepaket Leistungsvermögen
– Fehlercode P0AA6, Systemisolation Hybrid/EV-Batteriespannung verloren gegangen
– Fehlercode P1AE6, Steuergerät Batterieenergie - Sensor Isolation Hybrid/EV-Batteriespannung Stromkreis
– Fehlercode P0DAA, Systemisolation Batterie-Ladespannung verloren gegangen
– Fehlercode P1F0E, Systemisolation Batterie-Ladespannung verloren gegangen
•Hilfsmittel für die Diagnose:
– Eine defekte Heizung des Hybrid/EV-Batteriepakets kann den Verlust der Hochvolt-Isolation zur Folge haben.
– Bei einigen Fahrzeugen wurde im Werk 0,2 Liter zu wenig Kühlmittel eingefüllt.
– Probleme mit Schweißpunkten von Nachrüstarbeiten können Probleme mit dem Kühlmittelstandsensor des Hybrid/EV-Batteriepakets nach sich ziehen.
– Der Kühlmittelstand der HV-Batterie kann nach dem Befüllen sinken, wenn die Luft im Kühlmittel während des Fahrens in den Ausgleichsbehälter abgelassen wird.
Vorgehensweise: 1. Wenn ein Fehlercode gesetzt wurde, siehe die entsprechende Prüfanleitung in den SI.
2. Zum Prüfen des Kühlmittelstandes, ohne dass ein Fehlercode gesetzt wurde, siehe Kühlmittelverlust Hybrid-Kühlsystem (Batterie).
3. Zum Prüfen der Heizung des Hybrid/EV-Batteriepakets, auch wenn kein Fehlercode gesetzt wurde, siehe Fehlercode P1EC6.
•Prüfung nach Instandsetzung: Nach Füllen des Ausgleichsbehälters Kühlmittelstand der HV-Batterie prüfen.
– Die Batterie vollständig laden und das Fahrzeug zweimal fahren, bis die Batterie leer ist.
– Fahrzeug mit wechselnder Geschwindigkeit fahren (hohe Geschwindigkeit, Beschleunigung).
– Fahrzeug in die Werkstatt zurückfahren, um den Kühlmittelstand zu prüfen.
– Die Motorkontrollleuchte leuchtet.
– Das Laden der Plug-in-Hybrid-Batterie kann nicht durchgeführt werden.
Ursache
Ursache für alle oben aufgeführten Probleme kann ein zu niedriger Kühlmittelstand des Hybrid/EV-Batteriepakets, eine Funktionsstörung des Kühlmittelstandsensors des Hybrid/EV-Batteriepakets oder ein Verlust der Isolation des Hochvoltsystems sein.
Korrektur
Bei einer Kundenbeanstandung folgende Informationen in die Überlegungen einbeziehen:
– Fehlercode P1FFB, Sensor Kühlmittelstand Hybrid/EV-Batteriepaket Stromkreis
– Fehlercode P1FFC, Sensor Kühlmittelstand Hybrid/EV-Batteriepaket Stromkreis Spannung zu niedrig
– Fehlercode P1FFD, Sensor Kühlmittelstand Hybrid/EV-Batteriepaket Stromkreis Spannung zu hoch
– Fehlercode P1FFE, Kühlmittelstand Hybrid/EV-Batteriepaket zu niedrig
– Fehlercode P1FFF, Systemisolation / Störung Sensor Kühlmittelstand - Ladesystem Hybrid/EV-Batterie deaktiviert
– Fehlercode P1EC6, Heizung Hybrid/EV-Batteriepaket Leistungsvermögen
– Fehlercode P0AA6, Systemisolation Hybrid/EV-Batteriespannung verloren gegangen
– Fehlercode P1AE6, Steuergerät Batterieenergie - Sensor Isolation Hybrid/EV-Batteriespannung Stromkreis
– Fehlercode P0DAA, Systemisolation Batterie-Ladespannung verloren gegangen
– Fehlercode P1F0E, Systemisolation Batterie-Ladespannung verloren gegangen
•Hilfsmittel für die Diagnose:
– Eine defekte Heizung des Hybrid/EV-Batteriepakets kann den Verlust der Hochvolt-Isolation zur Folge haben.
– Bei einigen Fahrzeugen wurde im Werk 0,2 Liter zu wenig Kühlmittel eingefüllt.
– Probleme mit Schweißpunkten von Nachrüstarbeiten können Probleme mit dem Kühlmittelstandsensor des Hybrid/EV-Batteriepakets nach sich ziehen.
– Der Kühlmittelstand der HV-Batterie kann nach dem Befüllen sinken, wenn die Luft im Kühlmittel während des Fahrens in den Ausgleichsbehälter abgelassen wird.
Vorgehensweise: 1. Wenn ein Fehlercode gesetzt wurde, siehe die entsprechende Prüfanleitung in den SI.
2. Zum Prüfen des Kühlmittelstandes, ohne dass ein Fehlercode gesetzt wurde, siehe Kühlmittelverlust Hybrid-Kühlsystem (Batterie).
3. Zum Prüfen der Heizung des Hybrid/EV-Batteriepakets, auch wenn kein Fehlercode gesetzt wurde, siehe Fehlercode P1EC6.
•Prüfung nach Instandsetzung: Nach Füllen des Ausgleichsbehälters Kühlmittelstand der HV-Batterie prüfen.
– Die Batterie vollständig laden und das Fahrzeug zweimal fahren, bis die Batterie leer ist.
– Fahrzeug mit wechselnder Geschwindigkeit fahren (hohe Geschwindigkeit, Beschleunigung).
– Fahrzeug in die Werkstatt zurückfahren, um den Kühlmittelstand zu prüfen.
Was hat noch Räder bei mir? Sommerfahrzeug Opel Senator B 24V Automatik 1990,C30SE-Opel Mokka A 1,4 LE2 Allrad Autom.,Anhänger Monty B11,800kg,1998
- Andreas Ranftl
- 1.21 Gigawatt
- Beiträge: 1188
- Registriert: 21. Nov 2016 22:59
- Wohnort: 83377 Vachendorf
- Kontaktdaten:
Re: Hochspannungs-Ladesystem warten
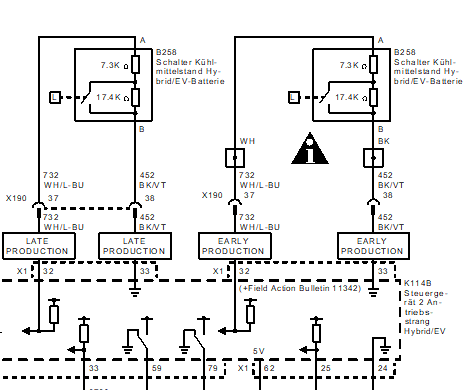
Und hier noch die Prüfung Sensor B258 Sensor Kühlwasserstand
5. Fahrzeug AUS; den B258 Sensor Kühlmittelstand Hybrid/EV-Batterie vom Ausgleichsbehälter Kühlmittel entfernen.
6. Auf 24-25,4 k Ω zwischen Klemme A, Signalstromkreis, und Klemme B, Tiefpegelreferenzstromkreis, prüfen.
⇒ Falls diese nicht im angegebenen Bereich liegt
B258 Sensor Kühlmittelstand Hybrid/EV-Batterie ersetzen.
⇓ Wenn im Sollbereich
Hinweis: Der interne Schalter lässt sich leichter schließen, wenn der Magnet leicht am Boden des Sensors entlang bewegt wird.
7. Mit einem Magnet den Magnet außermittig vom B258 Sensor Kühlmittelstand Hybrid/EV-Batterie gegenüber den Klemmen an der Epoxidseite positionieren, um den internen Schalter zu schließen.
8. Auf 7,1-7,54 k Ω zwischen Klemme A, Signalstromkreis, und Klemme B, Tiefpegelreferenzstromkreis, prüfen.
⇒ Falls diese nicht im angegebenen Bereich liegt
B258 Sensor Kühlmittelstand Hybrid/EV-Batterie ersetzen.
5. Fahrzeug AUS; den B258 Sensor Kühlmittelstand Hybrid/EV-Batterie vom Ausgleichsbehälter Kühlmittel entfernen.
6. Auf 24-25,4 k Ω zwischen Klemme A, Signalstromkreis, und Klemme B, Tiefpegelreferenzstromkreis, prüfen.
⇒ Falls diese nicht im angegebenen Bereich liegt
B258 Sensor Kühlmittelstand Hybrid/EV-Batterie ersetzen.
⇓ Wenn im Sollbereich
Hinweis: Der interne Schalter lässt sich leichter schließen, wenn der Magnet leicht am Boden des Sensors entlang bewegt wird.
7. Mit einem Magnet den Magnet außermittig vom B258 Sensor Kühlmittelstand Hybrid/EV-Batterie gegenüber den Klemmen an der Epoxidseite positionieren, um den internen Schalter zu schließen.
8. Auf 7,1-7,54 k Ω zwischen Klemme A, Signalstromkreis, und Klemme B, Tiefpegelreferenzstromkreis, prüfen.
⇒ Falls diese nicht im angegebenen Bereich liegt
B258 Sensor Kühlmittelstand Hybrid/EV-Batterie ersetzen.
Was hat noch Räder bei mir? Sommerfahrzeug Opel Senator B 24V Automatik 1990,C30SE-Opel Mokka A 1,4 LE2 Allrad Autom.,Anhänger Monty B11,800kg,1998
Wer ist online?
Mitglieder in diesem Forum: 0 Mitglieder und 2 Gäste