Hochspannungs-Ladesystem warten
- Martin
- 500 kW - overdrive
- Beiträge: 1838
- Registriert: 8. Aug 2011 20:56
- Wohnort: Halle / Saale
- Kontaktdaten:
Re: Hochspannungs-Ladesystem warten
Klingt nicht so gut.
Könnte es sein das sich Schnee irgendwo reingeschoben oder gedrückt hat?
Ich habe beim rangieren soviel Schnee gesammelt das ich aufsaß und die Vorderräder fast frei drehten.
Könnte es sein das sich Schnee irgendwo reingeschoben oder gedrückt hat?
Ich habe beim rangieren soviel Schnee gesammelt das ich aufsaß und die Vorderräder fast frei drehten.
Nicht mal fliegen ist schöner.- Opelkind
- 111 kW - voll elektrisch
- Beiträge: 161
- Registriert: 25. Feb 2017 11:55
- Wohnort: Düsseldorf
- Kontaktdaten:
Re: Hochspannungs-Ladesystem warten
Ja so habe ich das auch verstanden. Im amerikanischen Chevy Volt Forum ist die Meldung mit "Batterie zu kalt..." auch schon diskutiert worden. Die Sensoren sitzen so blöd das da ein Tausch der kompletten Batterie oder mindestens eines Moduls fällig ist (...falls du jemanden findest der es macht)okko hat geschrieben: 11. Feb 2021 08:20 Hab ich das richtig verstanden, daß die Antriebsbatterie komplett ersetzt werden muß, wenn der Sensor korrosionsbedingt die Werte nicht bringt? Das wäre ja außerhalb der Garantie ein Totalschaden.
Ich hatte die Meldung auch schon dreimal während der Fahrt ist aber von alleine wieder verschwunden.
Beste Güße
Opelkind
...immer schön VolTanken...
Lieber Opelkind als Popelkind
Opelkind
Lieber Opelkind als Popelkind
- Martin
- 500 kW - overdrive
- Beiträge: 1838
- Registriert: 8. Aug 2011 20:56
- Wohnort: Halle / Saale
- Kontaktdaten:
Re: Hochspannungs-Ladesystem warten
Hier noch der Auszug der Temperaturen pro Batteriemodul.
Die Werte sind erst einmal plausibel, nun habe ich die Hoffnung das dem Ampera nur ein Furz der Quere klemmt und es mit einem neuflash getan ist.
Die Werte sind erst einmal plausibel, nun habe ich die Hoffnung das dem Ampera nur ein Furz der Quere klemmt und es mit einem neuflash getan ist.
- Dateianhänge
-
- Screenshot_20210211-220712.jpg (115.62 KiB) 2803 mal betrachtet
Nicht mal fliegen ist schöner.- he2lmuth
- 1.21 Gigawatt !
- Beiträge: 5079
- Registriert: 19. Aug 2011 12:16
- Kontaktdaten:
Re: Hochspannungs-Ladesystem warten
Ich wünsche Dir dass es so IST

L.G. Hellmuth
Es ist keinesfalls ausreichend lediglich keine Überlegungen anstellen zu können, man muss auch unfähig sein diese mitzuteilen.
Es ist keinesfalls ausreichend lediglich keine Überlegungen anstellen zu können, man muss auch unfähig sein diese mitzuteilen.
- Martin
- 500 kW - overdrive
- Beiträge: 1838
- Registriert: 8. Aug 2011 20:56
- Wohnort: Halle / Saale
- Kontaktdaten:
Re: Hochspannungs-Ladesystem warten
Tja ich vermute mal es ist eher wie beim Andreas.
Ein Sensor wischt ab und zu mal nach unten....
Da kam auch kurz die Meldung mit Batterie zu kalt.
Ein Sensor wischt ab und zu mal nach unten....
Da kam auch kurz die Meldung mit Batterie zu kalt.
- Dateianhänge
-
- Screenshot_20210213-102710.jpg (148.59 KiB) 2770 mal betrachtet
Nicht mal fliegen ist schöner.- Andreas Ranftl
- 1.21 Gigawatt
- Beiträge: 1188
- Registriert: 21. Nov 2016 22:59
- Wohnort: 83377 Vachendorf
- Kontaktdaten:
Re: Hochspannungs-Ladesystem warten
Wie bei mir,exakt.Bei den anderen Sensoren /3+4/ ist auch eine recht grosse Spanne,normal max.2 Grad Differenz war bei mir.Ist deiner schon 8 Jahre?Falls ja Batterie raus,Deckel ab und ALLE Steckverbindungen reinigen,einsprühen,fetten,alle 9 Sensoren Widerstand vergleichen,Deckel abdichten und wieder rein.Das macht dir kein Händler,aber Werkzeug und den Ausbau-Rahmen leiht er dir vielleicht 
Und noch was...Bei Unebenheiten Fahrbahn,Schwellen von Brücken,kurze Schläge kommt er und geht ist mir aufgefallen,typisch für Wackelkontakte und Korrosionen in Steckern.
Und noch was...Bei Unebenheiten Fahrbahn,Schwellen von Brücken,kurze Schläge kommt er und geht ist mir aufgefallen,typisch für Wackelkontakte und Korrosionen in Steckern.
Was hat noch Räder bei mir? Sommerfahrzeug Opel Senator B 24V Automatik 1990,C30SE-Opel Mokka A 1,4 LE2 Allrad Autom.,Anhänger Monty B11,800kg,1998
- Martin
- 500 kW - overdrive
- Beiträge: 1838
- Registriert: 8. Aug 2011 20:56
- Wohnort: Halle / Saale
- Kontaktdaten:
Re: Hochspannungs-Ladesystem warten
8 Jahre noch nicht voll aber 215.000km 
Danke für den Tipp. Hättest du schon ein Bild wo die Sensoren zu finden sind, bzw. die Stecker.
Danke für den Tipp. Hättest du schon ein Bild wo die Sensoren zu finden sind, bzw. die Stecker.
Nicht mal fliegen ist schöner.- Andreas Ranftl
- 1.21 Gigawatt
- Beiträge: 1188
- Registriert: 21. Nov 2016 22:59
- Wohnort: 83377 Vachendorf
- Kontaktdaten:
Re: Hochspannungs-Ladesystem warten
https://youtu.be/eWYtq0hxhQg
Ca. in der Mitte des Videos
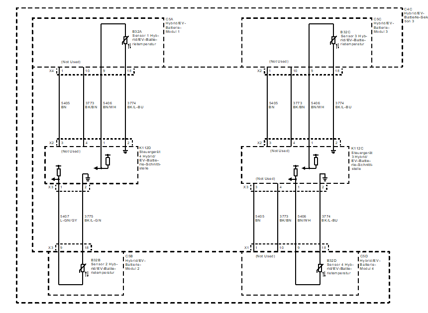
An Connector 7 vom BECM liegen alle Temperatursensoren an.Hier müssen dann die Widerstandswerte -ca.alle identisch-gemessen werden.
Prof.Kelly beschreibt den Temp.sensor 2 rechts hinten-Sektion 3-die ganz hinten quer,laut dem Stromlaufplan sind Sensor 3/4 dann Sektion 3 links in Fahrtrichtung.
Ca. in der Mitte des Videos
An Connector 7 vom BECM liegen alle Temperatursensoren an.Hier müssen dann die Widerstandswerte -ca.alle identisch-gemessen werden.
Prof.Kelly beschreibt den Temp.sensor 2 rechts hinten-Sektion 3-die ganz hinten quer,laut dem Stromlaufplan sind Sensor 3/4 dann Sektion 3 links in Fahrtrichtung.
Zuletzt geändert von Andreas Ranftl am 14. Feb 2021 08:32, insgesamt 1-mal geändert.
Was hat noch Räder bei mir? Sommerfahrzeug Opel Senator B 24V Automatik 1990,C30SE-Opel Mokka A 1,4 LE2 Allrad Autom.,Anhänger Monty B11,800kg,1998
- Martin
- 500 kW - overdrive
- Beiträge: 1838
- Registriert: 8. Aug 2011 20:56
- Wohnort: Halle / Saale
- Kontaktdaten:
Re: Hochspannungs-Ladesystem warten
Danke.Andreas Ranftl hat geschrieben: 13. Feb 2021 20:16 https://youtu.be/eWYtq0hxhQg
Ca. in der Mitte des Videos
An Connector 7 vom BECM liegen alle Temperatursensoren an.Hier müssen dann die Widerstandswerte -ca.alle identisch-gemessen werden.
Mal sehen wer sich da opfert und das macht....
Nicht mal fliegen ist schöner.-
Joachim
- 500 kW - overdrive
- Beiträge: 1102
- Registriert: 12. Aug 2011 17:59
- Wohnort: Im Ländle, Hohenlohe
- Kontaktdaten:
Re: Hochspannungs-Ladesystem warten
„Batterie zu kalt, bitte an Strom anschliessen“ hatte ich schon drei Mal. Jedes Mal kam hinterher nach wenigen Sekunden Laden: „Hochspannungs-Ladesystem warten“!
Und das geht bekanntermaßen nicht von alleine weg. Also durfte ich jedes Mal den FOH besuchen …
Bin mal gespannt, ob mal jemand eine kostengünstigere Lösung findet, als die Batterie zu ersetzen.
Und das geht bekanntermaßen nicht von alleine weg. Also durfte ich jedes Mal den FOH besuchen …
Bin mal gespannt, ob mal jemand eine kostengünstigere Lösung findet, als die Batterie zu ersetzen.
Wer ist online?
Mitglieder in diesem Forum: 0 Mitglieder und 2 Gäste