Seite 1 von 2
Lenkung brummt und vibriert
Verfasst: 14. Mär 2016 21:22
von Simplicissimus
Moin,
seit ein paar Tagen habe ich ein etwas seltsames Phänomen: Wenn ich den Ampera einschalte und das Lenkrad auch nur ganz leicht drehe, brummt die Lenkung ca. 2 Sekunden und das Lenkrad vibriert ganz leicht. Hat jemand eine Erfahrung mit dem Problem?
Viele Grüße,
Thorsten
Re: Lenkung brummt und vibriert
Verfasst: 14. Mär 2016 23:25
von newbie
Hallo,
das Phänomen tritt bei mir häufiger beim Abstellen des Ampera auf, beim Starten hab ich es noch nicht beobachtet....
Re: Lenkung brummt und vibriert
Verfasst: 15. Mär 2016 08:33
von okko
Das Problem tritt bei mir auch sporadisch auf. Immer direkt nach dem "Hochfahren". Kann es aber nicht zuverlässig provozieren.
Re: Lenkung brummt und vibriert
Verfasst: 15. Mär 2016 08:46
von Simplicissimus
Moin,
zuverlässig provozieren kann ich es auch nicht. Aber wenn es auftritt, dann nur beim Einschalten. Ein weiterer Faktor scheint die Zeit des Abstellens zu sein: Wenn ich den Wagen nach 5 Minuten Stillstand wieder starte brummt die Lenkung nicht. Nach 20-minütigem Abstellen brummt sie bei der ersten Lenkradberührung ...
Bis dann,
Thorsten
Re: Lenkung brummt und vibriert
Verfasst: 15. Mär 2016 10:57
von mibmib
Jep - hatte ich auch schon...
Mal ist es da - mal ist es weg...
Kann es leider auch nicht reproduzieren...
Re: Lenkung brummt und vibriert
Verfasst: 15. Mär 2016 17:26
von Martin
Könnte Luft sein.
Re: Lenkung brummt und vibriert
Verfasst: 15. Mär 2016 18:29
von Joachim
Martin, meinst du mit „Luft“ mechanisches Spiel?
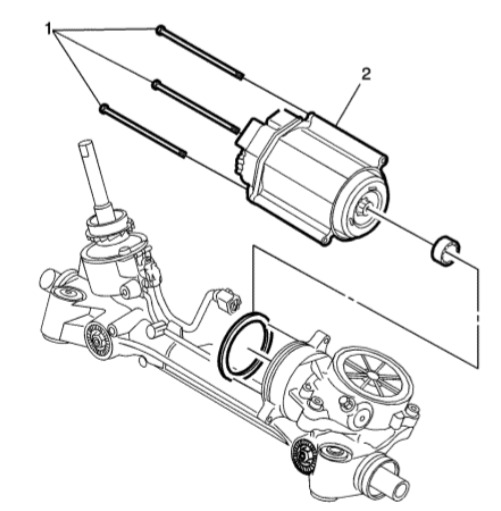
Die Lenkung ist wohl rein Elektromechanisch, also ohne Hydraulik:

- Lenkgetriebe.jpg (45.79 KiB) 7536 mal betrachtet
Part 2 ist der E-Motor.
Re: Lenkung brummt und vibriert
Verfasst: 15. Mär 2016 20:14
von Martin
Okay, dann fällt die Luft in der Hydraulik aus

Re: Lenkung brummt und vibriert
Verfasst: 16. Mär 2016 11:21
von Blackampdriver
Moin..dafür gibts ein Software update beim FOH...tritt eigentlich hauptsächlich bei Winterbereifung auf..einfach mal nachfragen..sollte eigentlich nix kosten..aber wie gesagt...nachfragen..

Re: Lenkung brummt und vibriert
Verfasst: 16. Mär 2016 11:31
von Simplicissimus
Ah, danke für die Info - Ende des Monats kommt der sowieso in die Inspektion. Dann sage ich in der Werkstatt bescheid!
Bis dann,
Thorsten