Fehlercode PO43e
-
Timo
- 111 kW - voll elektrisch
- Beiträge: 303
- Registriert: 19. Apr 2014 08:09
- Wohnort: Hohennroda
- Kontaktdaten:
Fehlercode PO43e
Hallo
Habe diesen Fehlercode ausgelesen. Lässt sich durch Batt abklemmen zwar löschen kommt aber noch paar Tagen wieder meistens wenn die Sonne auf die Tank seite scheint. Hat wohl irgendwas mit der entlüftung vom Tank zu tun.
Hatt das schon mal jemand gehabt und kann man das selber rep. oder muss man dafür in die Werkstadt ?
Gruss Timo
Habe diesen Fehlercode ausgelesen. Lässt sich durch Batt abklemmen zwar löschen kommt aber noch paar Tagen wieder meistens wenn die Sonne auf die Tank seite scheint. Hat wohl irgendwas mit der entlüftung vom Tank zu tun.
Hatt das schon mal jemand gehabt und kann man das selber rep. oder muss man dafür in die Werkstadt ?
Gruss Timo
- slv rider
- 111 kW - voll elektrisch
- Beiträge: 417
- Registriert: 31. Dez 2011 16:05
- Kontaktdaten:
Re: Fehlercode PO43e
Fehlercode P043E
Tankentlüftungssysten (EVAP) Ungenügender Fluss an der Referenzöffnung
Tankentlüftungssysten (EVAP) Ungenügender Fluss an der Referenzöffnung
-
Timo
- 111 kW - voll elektrisch
- Beiträge: 303
- Registriert: 19. Apr 2014 08:09
- Wohnort: Hohennroda
- Kontaktdaten:
Re: Fehlercode PO43e
Hallo
Ja das weis ich habe ich schon gelesen im Netz
Ja das weis ich habe ich schon gelesen im Netz
-
AlfredD
- 16 kWh - fährt
- Beiträge: 19
- Registriert: 25. Mär 2013 20:01
- Kontaktdaten:
Re: Fehlercode PO43e
Ich hatte diesen "Fehler" schon öfter. Den ganzen Winter war Ruhe,die ersten warmen Tage und schon war der Fehler wieder da. Ich habe ihn mit einem obd2-Diagnosegerät gelöscht, dann ist Ruhe.
Bis zu den nächsten warmen Tagen.
Gruß
AlfredD
Bis zu den nächsten warmen Tagen.
Gruß
AlfredD
-
Timo
- 111 kW - voll elektrisch
- Beiträge: 303
- Registriert: 19. Apr 2014 08:09
- Wohnort: Hohennroda
- Kontaktdaten:
Re: Fehlercode PO43e
Hallo
Ja so mach ich es auch aber das ist ja keine lösung.
Dachte das währe nur ein schlauch zur entlüftung der vielleicht dreckig ist oder verstopft.
Ja so mach ich es auch aber das ist ja keine lösung.
Dachte das währe nur ein schlauch zur entlüftung der vielleicht dreckig ist oder verstopft.
- slv rider
- 111 kW - voll elektrisch
- Beiträge: 417
- Registriert: 31. Dez 2011 16:05
- Kontaktdaten:
Re: Fehlercode PO43e
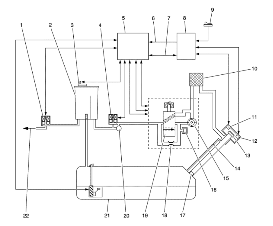
zur genaueren diagnose sind systemkenntnisse unumgänglich...
so sieht dein "tanksystem" aus. ähnlich komplex wie damals beim spaceshuttle.
so sieht dein "tanksystem" aus. ähnlich komplex wie damals beim spaceshuttle.
- Dateianhänge
-
- tank - Kopie.png (105.97 KiB) 8730 mal betrachtet
-
RoterBaron
- 500 kW - overdrive
- Beiträge: 1029
- Registriert: 24. Jul 2014 13:16
- Wohnort: Dauenhof / S-H
- Kontaktdaten:
Re: Fehlercode PO43e
Uh, ein AKW sieht im Blockschaltbild nicht so komplex aus 
Lieben Gruß - nur Fliegen sind schöner 
2012-2014:
Matiz 0,8 LPG. 43743-126213Km: 4,51€/100Km.
2014 - er auseinander fällt:
Ampera 11/2011. 26997-269903 Km: 4,47€/100Km.
195524 Km el.: 15,6 KWh/100Km.
47382 Km rest: 6,23 L/100Km
LDV: 1,0 - meiner: 1,23.
2012-2014:
Matiz 0,8 LPG. 43743-126213Km: 4,51€/100Km.
2014 - er auseinander fällt:
Ampera 11/2011. 26997-269903 Km: 4,47€/100Km.
195524 Km el.: 15,6 KWh/100Km.
47382 Km rest: 6,23 L/100Km
LDV: 1,0 - meiner: 1,23.
-
Michel-2014
- 500 kW - overdrive
- Beiträge: 2392
- Registriert: 18. Apr 2014 22:28
- Kontaktdaten:
- Martin
- 500 kW - overdrive
- Beiträge: 1834
- Registriert: 8. Aug 2011 20:56
- Wohnort: Halle / Saale
- Kontaktdaten:
Re: Fehlercode PO43e
Nein, es gibt nur eine Legende und die heißt Bud Spencer.Michel-2014 hat geschrieben:Ich bin ja neugierig. Gibt's eine Legende zum Bild?
Alles andere sind nur Erleuterungen.
Nicht mal fliegen ist schöner.-
SuLa
- 500 kW - overdrive
- Beiträge: 500
- Registriert: 13. Apr 2012 20:22
- Wohnort: Bornheim bei Bonn
- Kontaktdaten:
Re: Fehlercode PO43e
Es gibt auch keine ErleuterungenMartin hat geschrieben:Alles andere sind nur Erleuterungen.
sondern nur Erläuterungen
Wer ist online?
Mitglieder in diesem Forum: 0 Mitglieder und 2 Gäste