Rex und Ladung
-
xado1
- 111 kW - voll elektrisch
- Beiträge: 488
- Registriert: 2. Feb 2013 11:03
- Kontaktdaten:
Rex und Ladung
es muss doch möglich sein,daß man im standbetrieb den Rex zum laden bringt.
wenn ich den rex zum beispiel mit der Hold app starten kann läuft der motor ohne zu laden.
es muss doch softwaremäßig möglich sein,den generator zum laden zu zwingen.
mit der hold app läuft er motor mit 1400 umdrehungen,da wären 10kw ja leicht möglich.
selbst im wartungsmodus mit öffener motorhaube müsste das doch möglich sein.
wenn ich den rex zum beispiel mit der Hold app starten kann läuft der motor ohne zu laden.
es muss doch softwaremäßig möglich sein,den generator zum laden zu zwingen.
mit der hold app läuft er motor mit 1400 umdrehungen,da wären 10kw ja leicht möglich.
selbst im wartungsmodus mit öffener motorhaube müsste das doch möglich sein.
Lebenskunst ist die Fähigkeit, auf etwas Notwendiges zu verzichten, um sich etwas Überflüssiges zu leisten
LUIS 4 U ,Bj.2010,Nissan Leaf Tekna,Bj.2013 ,Tesla Model S 85 2014 und 90D 2017,Renault Zoe 2016,Opel Ampera 2013,fast alles gefahren und gestestet was sich hybrid und elektrisch nennt.
LUIS 4 U ,Bj.2010,Nissan Leaf Tekna,Bj.2013 ,Tesla Model S 85 2014 und 90D 2017,Renault Zoe 2016,Opel Ampera 2013,fast alles gefahren und gestestet was sich hybrid und elektrisch nennt.
- he2lmuth
- 1.21 Gigawatt !
- Beiträge: 5079
- Registriert: 19. Aug 2011 12:16
- Kontaktdaten:
Re: Rex und Ladung
Andere schrieben dass der REXin dem von Dir gewünschten Modus (0-40%) überhitzt, hier in Berlin auf der Stadtautobahn passiert.
Es wird außerdem mit 16 kW geladen, das ist zuviel.
Grüße
Es wird außerdem mit 16 kW geladen, das ist zuviel.
Grüße
L.G. Hellmuth
Es ist keinesfalls ausreichend lediglich keine Überlegungen anstellen zu können, man muss auch unfähig sein diese mitzuteilen.
Es ist keinesfalls ausreichend lediglich keine Überlegungen anstellen zu können, man muss auch unfähig sein diese mitzuteilen.
- Andreas Ranftl
- 1.21 Gigawatt
- Beiträge: 1182
- Registriert: 21. Nov 2016 22:59
- Wohnort: 83377 Vachendorf
- Kontaktdaten:
Re: Rex und Ladung
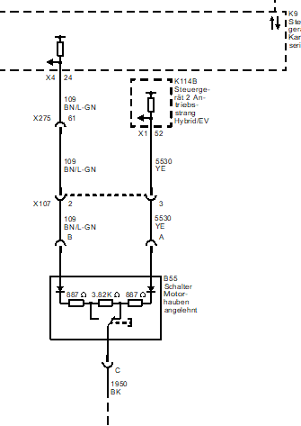
Zwangsladen kannst du wenn du den Schalter Motorhaube simulierst auf "offen".Dargestellt ist Ruheposition geschlossen.Schalter ist direkt im Schloss vorne verkabelt,Stecker Pins A-B-C,Gelbe Leitung unterbrechen und/bzw 4,6kohm an Masse legen-wenn er´s genau nimmt- und er springt an.Kann man so fahren?Fehler?Ich habs noch nicht probiert
Was hat noch Räder bei mir? Sommerfahrzeug Opel Senator B 24V Automatik 1990,C30SE-Opel Mokka A 1,4 LE2 Allrad Autom.,Anhänger Monty B11,800kg,1998
-
xado1
- 111 kW - voll elektrisch
- Beiträge: 488
- Registriert: 2. Feb 2013 11:03
- Kontaktdaten:
Re: Rex und Ladung
bei mir springt der motor an,wenn ich die haubenentriegelung öffne,habe fahren probiert,lädt aber nicht.
Lebenskunst ist die Fähigkeit, auf etwas Notwendiges zu verzichten, um sich etwas Überflüssiges zu leisten
LUIS 4 U ,Bj.2010,Nissan Leaf Tekna,Bj.2013 ,Tesla Model S 85 2014 und 90D 2017,Renault Zoe 2016,Opel Ampera 2013,fast alles gefahren und gestestet was sich hybrid und elektrisch nennt.
LUIS 4 U ,Bj.2010,Nissan Leaf Tekna,Bj.2013 ,Tesla Model S 85 2014 und 90D 2017,Renault Zoe 2016,Opel Ampera 2013,fast alles gefahren und gestestet was sich hybrid und elektrisch nennt.
-
xado1
- 111 kW - voll elektrisch
- Beiträge: 488
- Registriert: 2. Feb 2013 11:03
- Kontaktdaten:
Re: Rex und Ladung
0-40% geht im bergmodus bei mir problemlos ohne auch nur annähern zu überhitzen,auch bei 30 grad außentemperatur.da der motor oft läuft ,möchte aber vollladen.he2lmuth hat geschrieben: 23. Jun 2019 07:31 Andere schrieben dass der REXin dem von Dir gewünschten Modus (0-40%) überhitzt, hier in Berlin auf der Stadtautobahn passiert.
Es wird außerdem mit 16 kW geladen, das ist zuviel.
Grüße
bergab oder mit wenig leistung am antrieb läuft der motor praktisch ohne zu laden.
Lebenskunst ist die Fähigkeit, auf etwas Notwendiges zu verzichten, um sich etwas Überflüssiges zu leisten
LUIS 4 U ,Bj.2010,Nissan Leaf Tekna,Bj.2013 ,Tesla Model S 85 2014 und 90D 2017,Renault Zoe 2016,Opel Ampera 2013,fast alles gefahren und gestestet was sich hybrid und elektrisch nennt.
LUIS 4 U ,Bj.2010,Nissan Leaf Tekna,Bj.2013 ,Tesla Model S 85 2014 und 90D 2017,Renault Zoe 2016,Opel Ampera 2013,fast alles gefahren und gestestet was sich hybrid und elektrisch nennt.
- Martin
- 500 kW - overdrive
- Beiträge: 1834
- Registriert: 8. Aug 2011 20:56
- Wohnort: Halle / Saale
- Kontaktdaten:
Re: Rex und Ladung
Sicher?xado1 hat geschrieben: 23. Jun 2019 17:21 bei mir springt der motor an,wenn ich die haubenentriegelung öffne,habe fahren probiert,lädt aber nicht.
Meines Wissens und auch Beobachtung am Ampera sagen mir dass kein tropfen Benzin verschwendet wird.
Selbst nach der AU hatte ich etwas mehr strom im Akku.
Nicht mal fliegen ist schöner.-
xado1
- 111 kW - voll elektrisch
- Beiträge: 488
- Registriert: 2. Feb 2013 11:03
- Kontaktdaten:
Re: Rex und Ladung
werde morgen nochmal testen
Lebenskunst ist die Fähigkeit, auf etwas Notwendiges zu verzichten, um sich etwas Überflüssiges zu leisten
LUIS 4 U ,Bj.2010,Nissan Leaf Tekna,Bj.2013 ,Tesla Model S 85 2014 und 90D 2017,Renault Zoe 2016,Opel Ampera 2013,fast alles gefahren und gestestet was sich hybrid und elektrisch nennt.
LUIS 4 U ,Bj.2010,Nissan Leaf Tekna,Bj.2013 ,Tesla Model S 85 2014 und 90D 2017,Renault Zoe 2016,Opel Ampera 2013,fast alles gefahren und gestestet was sich hybrid und elektrisch nennt.
-
joel7
- 111 kW - voll elektrisch
- Beiträge: 190
- Registriert: 25. Mär 2016 11:26
- Kontaktdaten:
Re: Rex und Ladung
Das Verhalten beim Öffnen der Haube ist doch dasselbe, wie wenn "Engine On" über MyVoltHold aktiviert wird. Und dieser Modus ist perfekt zum Laden im Stand. Er lädt dann nicht so schnell wie im Gebirgsmodus.
- he2lmuth
- 1.21 Gigawatt !
- Beiträge: 5079
- Registriert: 19. Aug 2011 12:16
- Kontaktdaten:
Re: Rex und Ladung
Die Überhitzung passierte hier im Stau auf der Stadtautobahn.
Ein jeder Akku darf nicht durchweg mit 1C vollgeladen werden.
Ein jeder Akku darf nicht durchweg mit 1C vollgeladen werden.
L.G. Hellmuth
Es ist keinesfalls ausreichend lediglich keine Überlegungen anstellen zu können, man muss auch unfähig sein diese mitzuteilen.
Es ist keinesfalls ausreichend lediglich keine Überlegungen anstellen zu können, man muss auch unfähig sein diese mitzuteilen.
-
xado1
- 111 kW - voll elektrisch
- Beiträge: 488
- Registriert: 2. Feb 2013 11:03
- Kontaktdaten:
Re: Rex und Ladung
binm heute kurz mit der myvolthold app gefahren,hätte bald den wagen abgefackelt
da das leinnöl meiner brüniedrung noch zu frisch bist,da hats ganz schön geraucht,also dürfte der auspuff sehr warm werden,hab aber gesehen,das der SOC sehr schnell anstieg.
Zuletzt geändert von xado1 am 25. Jun 2019 21:34, insgesamt 1-mal geändert.
Lebenskunst ist die Fähigkeit, auf etwas Notwendiges zu verzichten, um sich etwas Überflüssiges zu leisten
LUIS 4 U ,Bj.2010,Nissan Leaf Tekna,Bj.2013 ,Tesla Model S 85 2014 und 90D 2017,Renault Zoe 2016,Opel Ampera 2013,fast alles gefahren und gestestet was sich hybrid und elektrisch nennt.
LUIS 4 U ,Bj.2010,Nissan Leaf Tekna,Bj.2013 ,Tesla Model S 85 2014 und 90D 2017,Renault Zoe 2016,Opel Ampera 2013,fast alles gefahren und gestestet was sich hybrid und elektrisch nennt.
Wer ist online?
Mitglieder in diesem Forum: 0 Mitglieder und 2 Gäste