Stärkeren Subwoofer einbauen
-
TheCrow
- 111 kW - voll elektrisch
- Beiträge: 136
- Registriert: 4. Aug 2018 07:36
- Kontaktdaten:
Stärkeren Subwoofer einbauen
Hi Leute, wie der Betreff schon sagt. Schön wäre eine 3fache Leistung eines Subwoofers, idealerweise soll dieser genauso unter dem Kofferraum verschwinden. Hat jemand Erfahrung?
Vielen Dank!
Vielen Dank!
- Andreas Ranftl
- 1.21 Gigawatt
- Beiträge: 1182
- Registriert: 21. Nov 2016 22:59
- Wohnort: 83377 Vachendorf
- Kontaktdaten:
Re: Stärkeren Subwoofer einbauen
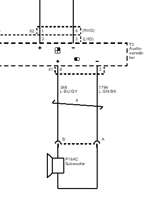
Der Verstärker pos.3 hat 4 Line IN Eingänge für VR/VL/HL/HR Signal und generiert mittels Weiche Lowpass Signal für subwoofer 11.Entweder Verstärker zerlegen und NF Signal vor dem Verstärkerbaustein anzapfen und zu XXXWatt Mono Endstufe führen oder Endstufe direkt mit Hi-Input füttern.Versorgung Endstufe ist klar Batterie,Sicherung,Masse.Steuerung Remote ist auf X2 Pin14 hellgrün/gelbes Kabel,damit schaltest du deine Endstufe an und ab.
Bleibt nur noch...wie Gross und wohin den Subwoofer?Kofferraum vollmachen?
UND Lautsprecher,Leistung mehr als Verstärker,Membrane,Volumen berechnen---Kiste muss passen!!
Soll er verschwinden musst du SehhhR kreativ sein
Bleibt nur noch...wie Gross und wohin den Subwoofer?Kofferraum vollmachen?
UND Lautsprecher,Leistung mehr als Verstärker,Membrane,Volumen berechnen---Kiste muss passen!!
Soll er verschwinden musst du SehhhR kreativ sein
Was hat noch Räder bei mir? Sommerfahrzeug Opel Senator B 24V Automatik 1990,C30SE-Opel Mokka A 1,4 LE2 Allrad Autom.,Anhänger Monty B11,800kg,1998
-
Mr_Mo
- 60 kW - range-extended
- Beiträge: 81
- Registriert: 22. Nov 2018 18:37
- Wohnort: STD
- Kontaktdaten:
Re: Stärkeren Subwoofer einbauen
meiner Meinung nach reicht der Subwoofer. Man müsste ihn allerdings anders ansteuern können. Bei normaler Hörlautstärke ist der halt zu leise, selbst wenn man den EQ entsprechend stellt.
An der AUX Buchse hatte ich mal mein Notebook dran und fröhlich mit diversen Sinusfrequenzen gespielt, und Potential hat der meiner Meinung nach
An der AUX Buchse hatte ich mal mein Notebook dran und fröhlich mit diversen Sinusfrequenzen gespielt, und Potential hat der meiner Meinung nach
-
TheCrow
- 111 kW - voll elektrisch
- Beiträge: 136
- Registriert: 4. Aug 2018 07:36
- Kontaktdaten:
Re: Stärkeren Subwoofer einbauen
Danke euch beiden!
Die Frage ist, wenn der Subwoofer noch mehr Potenzial hat, es nicht einfach reicht, eine stärkere Endstufe einzubauen (diese könnte man auch eher irgendwo unterbringen, als einen Subwoofer)?
Ich bin z.B. hier fündig geworden:
https://www.i-sotec.com/verstaerker-set ... pel/ampera
Die werben damit, dass man diesen Verstärker einfach per Plug & Play nachrüsten kann. Die Frage ist, ob das Werksradio die Leistung dieses Nachrüstverstärkers nicht auch limitieren würde (siehe Aussage von Mr_Mo)? Und welche Leistung hat der Werksverstärker zum Vergleich?
Die Frage ist, wenn der Subwoofer noch mehr Potenzial hat, es nicht einfach reicht, eine stärkere Endstufe einzubauen (diese könnte man auch eher irgendwo unterbringen, als einen Subwoofer)?
Ich bin z.B. hier fündig geworden:
https://www.i-sotec.com/verstaerker-set ... pel/ampera
Die werben damit, dass man diesen Verstärker einfach per Plug & Play nachrüsten kann. Die Frage ist, ob das Werksradio die Leistung dieses Nachrüstverstärkers nicht auch limitieren würde (siehe Aussage von Mr_Mo)? Und welche Leistung hat der Werksverstärker zum Vergleich?
Zuletzt geändert von TheCrow am 22. Jul 2020 06:36, insgesamt 2-mal geändert.
- Andreas Ranftl
- 1.21 Gigawatt
- Beiträge: 1182
- Registriert: 21. Nov 2016 22:59
- Wohnort: 83377 Vachendorf
- Kontaktdaten:
Re: Stärkeren Subwoofer einbauen
Dann müsste man der Endstufe eine sauber einstellbare Aktivweiche integrieren bzw diese durch eine mit 5 Ausgängen ersetzen.Es müsste welche geben die per Bluetooth oder USB einzustellen sind.5x 100 Watt reichen total aus.
Was hat noch Räder bei mir? Sommerfahrzeug Opel Senator B 24V Automatik 1990,C30SE-Opel Mokka A 1,4 LE2 Allrad Autom.,Anhänger Monty B11,800kg,1998
- GISMO
- 60 kW - range-extended
- Beiträge: 94
- Registriert: 12. Feb 2016 23:18
- Wohnort: Mannheim
- Kontaktdaten:
Re: Stärkeren Subwoofer einbauen
Hast mal überlegt die hinteren Lautsprecher mit subwoofern zu ersetzen
Opel Ampera ePionier, 2012, schwarz, MA Kennzeichen
-
TheCrow
- 111 kW - voll elektrisch
- Beiträge: 136
- Registriert: 4. Aug 2018 07:36
- Kontaktdaten:
Re: Stärkeren Subwoofer einbauen
Damit die hinteren Insassen vollgedröhnt werden? ^^
-
TheCrow
- 111 kW - voll elektrisch
- Beiträge: 136
- Registriert: 4. Aug 2018 07:36
- Kontaktdaten:
Re: Stärkeren Subwoofer einbauen
Hey zusammen,
https://www.i-sotec.com/verstaerker-set ... pel/ampera
würde diese Endstufe den Subwoofer verstärken?
Vielen Dank!
https://www.i-sotec.com/verstaerker-set ... pel/ampera
würde diese Endstufe den Subwoofer verstärken?
@Mr_Mo wenn man den Werkssubwoofer stärker ausreizt, könnte es ihm mittelfristig schaden?und Potential hat der meiner Meinung nach
Vielen Dank!
Wer ist online?
Mitglieder in diesem Forum: Amazon [Bot] und 3 Gäste