Er will nicht mehr
-
frank1110
- 16 kWh - fährt
- Beiträge: 56
- Registriert: 5. Jun 2016 13:41
- Kontaktdaten:
Re: Er will nicht mehr
Fehlerspeicher-Report generiert von Torque für Android
=================================================
Fahrzeug VIN:
Fahrzeughersteller
Fahrzeugkalibrierungs-ID:
Aktuelle Fehleraufzeichnungen
------------------
B2AAA: Unbekannter Code - Mehr Informationen könnten im Web erhältlich sein
P0449: Evaporative Emission Control System Vent Valve/Solenoid Circuit
P0498: Unbekannter Code - Mehr Informationen könnten im Web erhältlich sein
P0AB9: Unbekannter Code - Mehr Informationen könnten im Web erhältlich sein
P0AC4: Unbekannter Code - Mehr Informationen könnten im Web erhältlich sein
P2400: Evaporative Emission System Leak Detect Pump Control Circuit/Open
P2418: Evaporative Emission System Switching Valve Control Circuit/Open
P2419: Evaporative Emission System Switching Valve Control Circuit Low
U0109: Unbekannter Code - Mehr Informationen könnten im Web erhältlich sein
Unerledigte Fehleraufzeichnungen(n)------------------
P0CD2: Unbekannter Code - Mehr Informationen könnten im Web erhältlich sein
P16E0: Unbekannter Code - Mehr Informationen könnten im Web erhältlich sein
Fehler, aus der Vergangenheit
------------------
ECU berichtet, dass keine früheren Fehlercodes vorhanden sind
Andere entdeckte Fehlercodes
(eventuell noch nicht bearbeitet, aktuell oder Herstellerspezifisch)
----------------------------------------------------
Lt. ECU keine Fehler gespeichert
Ende des Reports.
...etwas Dämmmaterial im Motorraum ist auch angefressen...
Sieht aus, als wäre ein Marder zu Besuch gewesen...
=================================================
Fahrzeug VIN:
Fahrzeughersteller
Fahrzeugkalibrierungs-ID:
Aktuelle Fehleraufzeichnungen
------------------
B2AAA: Unbekannter Code - Mehr Informationen könnten im Web erhältlich sein
P0449: Evaporative Emission Control System Vent Valve/Solenoid Circuit
P0498: Unbekannter Code - Mehr Informationen könnten im Web erhältlich sein
P0AB9: Unbekannter Code - Mehr Informationen könnten im Web erhältlich sein
P0AC4: Unbekannter Code - Mehr Informationen könnten im Web erhältlich sein
P2400: Evaporative Emission System Leak Detect Pump Control Circuit/Open
P2418: Evaporative Emission System Switching Valve Control Circuit/Open
P2419: Evaporative Emission System Switching Valve Control Circuit Low
U0109: Unbekannter Code - Mehr Informationen könnten im Web erhältlich sein
Unerledigte Fehleraufzeichnungen(n)------------------
P0CD2: Unbekannter Code - Mehr Informationen könnten im Web erhältlich sein
P16E0: Unbekannter Code - Mehr Informationen könnten im Web erhältlich sein
Fehler, aus der Vergangenheit
------------------
ECU berichtet, dass keine früheren Fehlercodes vorhanden sind
Andere entdeckte Fehlercodes
(eventuell noch nicht bearbeitet, aktuell oder Herstellerspezifisch)
----------------------------------------------------
Lt. ECU keine Fehler gespeichert
Ende des Reports.
...etwas Dämmmaterial im Motorraum ist auch angefressen...
Sieht aus, als wäre ein Marder zu Besuch gewesen...
- Andreas Ranftl
- 1.21 Gigawatt
- Beiträge: 1182
- Registriert: 21. Nov 2016 22:59
- Wohnort: 83377 Vachendorf
- Kontaktdaten:
Re: Er will nicht mehr
So,wir analysieren mal.
B2AAA,ignorieren-gibts hier nix in der Prüfanleitung
Fehlercode P0498
Steuerstromkreis Magnetventil Tankentlüftungssystem (EVAP) niedrige Spannung
Der Fehlercode P0AB9 ist ein Fehlercode des Typs A.
Generator-Motor dreht sich, springt aber nicht an.
Wenn das System „Motor anlassen“ anfordert, weist das Steuergerät 1 Antriebsstrang Hybrid/EV den Fahrmotor 1 an, den Motor anzudrehen. Der Fahrmotor dreht den Motor solang mit einer bestimmten Drehzahl, bis der Motor anspringt und die Motordrehzahl steigt. Das Steuergerät 1 Antriebsstrang Hybrid/EV stellt das Andrehen des Motors ein, wenn nach einigen Sekunden kein Anstieg der Motordrehzahl beobachtet wird. Diese Funktion kann wie ein Start/Absterben wirken.
P0AC4
Anforderung MIL von Steuergerät Hybrid
Du hast berichtet von viel Vakuum im Tank-der Generator ging dadurch aus.Mit dem EVAP System stimmt daher was nicht.
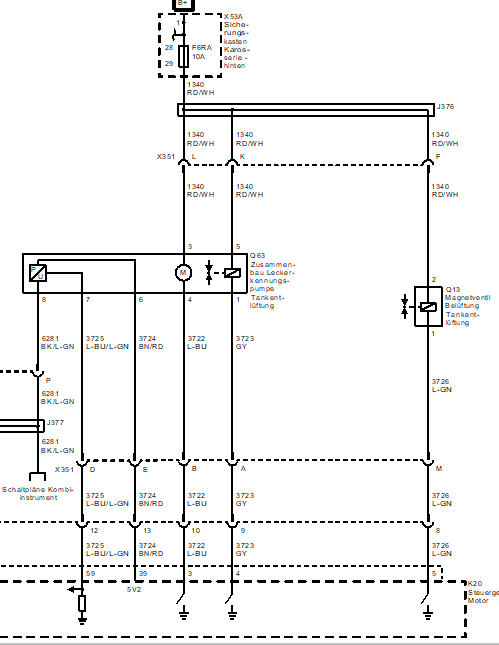
Handbremse und EVAP haben die einzige Gemeinsamkeit den hinteren Sicherungskasten,die Handbremse wenn nicht versorgt ist hat auch der CAN Bus ein Problem und ist unterbrochen.F6 10A ist die Versorgung EVAP,F13 30A die vom Steuergerät Handbremse.
Schau dir mal die + Leitung von der Batterie hinten zum Sicherungskasten links an,ist da eine Verschraubung locker?Messe mal die Spannung an den Sicherungen und bewege die Kabel.
B2AAA,ignorieren-gibts hier nix in der Prüfanleitung
Fehlercode P0498
Steuerstromkreis Magnetventil Tankentlüftungssystem (EVAP) niedrige Spannung
Der Fehlercode P0AB9 ist ein Fehlercode des Typs A.
Generator-Motor dreht sich, springt aber nicht an.
Wenn das System „Motor anlassen“ anfordert, weist das Steuergerät 1 Antriebsstrang Hybrid/EV den Fahrmotor 1 an, den Motor anzudrehen. Der Fahrmotor dreht den Motor solang mit einer bestimmten Drehzahl, bis der Motor anspringt und die Motordrehzahl steigt. Das Steuergerät 1 Antriebsstrang Hybrid/EV stellt das Andrehen des Motors ein, wenn nach einigen Sekunden kein Anstieg der Motordrehzahl beobachtet wird. Diese Funktion kann wie ein Start/Absterben wirken.
P0AC4
Anforderung MIL von Steuergerät Hybrid
Du hast berichtet von viel Vakuum im Tank-der Generator ging dadurch aus.Mit dem EVAP System stimmt daher was nicht.
Handbremse und EVAP haben die einzige Gemeinsamkeit den hinteren Sicherungskasten,die Handbremse wenn nicht versorgt ist hat auch der CAN Bus ein Problem und ist unterbrochen.F6 10A ist die Versorgung EVAP,F13 30A die vom Steuergerät Handbremse.
Schau dir mal die + Leitung von der Batterie hinten zum Sicherungskasten links an,ist da eine Verschraubung locker?Messe mal die Spannung an den Sicherungen und bewege die Kabel.
Was hat noch Räder bei mir? Sommerfahrzeug Opel Senator B 24V Automatik 1990,C30SE-Opel Mokka A 1,4 LE2 Allrad Autom.,Anhänger Monty B11,800kg,1998
-
frank1110
- 16 kWh - fährt
- Beiträge: 56
- Registriert: 5. Jun 2016 13:41
- Kontaktdaten:
Re: Er will nicht mehr
Danke!Andreas Ranftl hat geschrieben: 28. Mär 2021 17:20 So,wir analysieren mal.
B2AAA,ignorieren-gibts hier nix in der Prüfanleitung
Fehlercode P0498
Steuerstromkreis Magnetventil Tankentlüftungssystem (EVAP) niedrige Spannung
Der Fehlercode P0AB9 ist ein Fehlercode des Typs A.
Generator-Motor dreht sich, springt aber nicht an.
Wenn das System „Motor anlassen“ anfordert, weist das Steuergerät 1 Antriebsstrang Hybrid/EV den Fahrmotor 1 an, den Motor anzudrehen. Der Fahrmotor dreht den Motor solang mit einer bestimmten Drehzahl, bis der Motor anspringt und die Motordrehzahl steigt. Das Steuergerät 1 Antriebsstrang Hybrid/EV stellt das Andrehen des Motors ein, wenn nach einigen Sekunden kein Anstieg der Motordrehzahl beobachtet wird. Diese Funktion kann wie ein Start/Absterben wirken.
P0AC4
Anforderung MIL von Steuergerät Hybrid
Du hast berichtet von viel Vakuum im Tank-der Generator ging dadurch aus.Mit dem EVAP System stimmt daher was nicht.
Handbremse und EVAP haben die einzige Gemeinsamkeit den hinteren Sicherungskasten,die Handbremse wenn nicht versorgt ist hat auch der CAN Bus ein Problem und ist unterbrochen.F6 10A ist die Versorgung EVAP,F13 30A die vom Steuergerät Handbremse.
Schau dir mal die + Leitung von der Batterie hinten zum Sicherungskasten links an,ist da eine Verschraubung locker?Messe mal die Spannung an den Sicherungen und bewege die Kabel.
Ich habe mal die Fehler in Torque zurückgesetzt.
Der Motor springt an, läuft allerdings nicht allzu lange.
Die aktuellen Fehlercodes:
Nach dem ersten Reset:
Fehlerspeicher-Report generiert von Torque für Android
=================================================
Fahrzeug VIN:
Fahrzeughersteller
Fahrzeugkalibrierungs-ID:
Aktuelle Fehleraufzeichnungen
------------------
P0449: Evaporative Emission Control System Vent Valve/Solenoid Circuit
P0AB9: Unbekannter Code - Mehr Informationen könnten im Web erhältlich sein
P0AC4: Unbekannter Code - Mehr Informationen könnten im Web erhältlich sein
P2400: Evaporative Emission System Leak Detect Pump Control Circuit/Open
P2419: Evaporative Emission System Switching Valve Control Circuit Low
Unerledigte Fehleraufzeichnungen(n)------------------
B2AAA: Unbekannter Code - Mehr Informationen könnten im Web erhältlich sein
P0498: Unbekannter Code - Mehr Informationen könnten im Web erhältlich sein
P16E0: Unbekannter Code - Mehr Informationen könnten im Web erhältlich sein
P2418: Evaporative Emission System Switching Valve Control Circuit/Open
U0109: Unbekannter Code - Mehr Informationen könnten im Web erhältlich sein
Fehler, aus der Vergangenheit
------------------
ECU berichtet, dass keine früheren Fehlercodes vorhanden sind
Andere entdeckte Fehlercodes
(eventuell noch nicht bearbeitet, aktuell oder Herstellerspezifisch)
----------------------------------------------------
Lt. ECU keine Fehler gespeichert
Ende des Reports.
Anschließend habe ich nochmals zurückgesetzt und ausgelesen:
Fehlerspeicher-Report generiert von Torque für Android
=================================================
Fahrzeug VIN:1G0R86E40CU100902
FahrzeugherstellerUnbekannt
Fahrzeugkalibrierungs-ID:22855971
22830005
Aktuelle Fehleraufzeichnungen
------------------
B2AAA: Unbekannter Code - Mehr Informationen könnten im Web erhältlich sein
P0498: Unbekannter Code - Mehr Informationen könnten im Web erhältlich sein
P2400: Evaporative Emission System Leak Detect Pump Control Circuit/Open
P2419: Evaporative Emission System Switching Valve Control Circuit Low
Unerledigte Fehleraufzeichnungen(n)------------------
ECU berichtet keine unbearbeiteten Fehler
Fehler, aus der Vergangenheit
------------------
P0CD2: Unbekannter Code - Mehr Informationen könnten im Web erhältlich sein
P1461: [BMW] Heated Catalyst Gate Voltage Signal Low
[Ford] Air Conditioning Pressure Sensor circuit Low Input
[Seat/Audi/Volkswagen] Exhaust gas temperature control bank 1 Range/Performance
P16E0: Unbekannter Code - Mehr Informationen könnten im Web erhältlich sein
Andere entdeckte Fehlercodes
(eventuell noch nicht bearbeitet, aktuell oder Herstellerspezifisch)
----------------------------------------------------
Lt. ECU keine Fehler gespeichert
Ende des Reports.
- Andreas Ranftl
- 1.21 Gigawatt
- Beiträge: 1182
- Registriert: 21. Nov 2016 22:59
- Wohnort: 83377 Vachendorf
- Kontaktdaten:
Re: Er will nicht mehr
Die Prüfung Motorlauf sieht vor dass man die Motorhaube öffnet dann muss er weiterlaufen,mach mal den Tankdeckel ab ob er weiterläuft,sonst hast du ein Problem mit der Belüftung bzw. funktionslosem EVAP System-die Fehlercodes gehen da echt wie geschrieben auf ein Versorgungsproblem hin-siehe Schaltplan.Was macht die Handbremse?
Was hat noch Räder bei mir? Sommerfahrzeug Opel Senator B 24V Automatik 1990,C30SE-Opel Mokka A 1,4 LE2 Allrad Autom.,Anhänger Monty B11,800kg,1998
-
frank1110
- 16 kWh - fährt
- Beiträge: 56
- Registriert: 5. Jun 2016 13:41
- Kontaktdaten:
Re: Er will nicht mehr
Werde Morgen nochmal nach dem Auto segen, hab ja zum Glück grad Ersatz, auf den ich zurückgreifen kann.
Gibt es einen Eleganten Weg, an den Kofferraum zu gelangen, wenn die Heckklappe nicht öffnet?
Bin ja auch nicht mehr der gelenkigste Zeitgenosse.
Eine Notentrieglung, für die man maximal 1* in drn Kofferraum kriechen muss wäre richtig cool....
Gibt es einen Eleganten Weg, an den Kofferraum zu gelangen, wenn die Heckklappe nicht öffnet?
Bin ja auch nicht mehr der gelenkigste Zeitgenosse.
Eine Notentrieglung, für die man maximal 1* in drn Kofferraum kriechen muss wäre richtig cool....
-
frank1110
- 16 kWh - fährt
- Beiträge: 56
- Registriert: 5. Jun 2016 13:41
- Kontaktdaten:
Re: Er will nicht mehr
Die Handbremse hängt nach wie vor.
Bin im Moment aber nicht am Auto...
Hab ihn bei meinen Eltern abgestellt und mit deren Auto unterwegs. Die brauchen ihren toyota z.Z. nicht....
Bin im Moment aber nicht am Auto...
Hab ihn bei meinen Eltern abgestellt und mit deren Auto unterwegs. Die brauchen ihren toyota z.Z. nicht....
- Andreas Ranftl
- 1.21 Gigawatt
- Beiträge: 1182
- Registriert: 21. Nov 2016 22:59
- Wohnort: 83377 Vachendorf
- Kontaktdaten:
Re: Er will nicht mehr
Ja das Relais und Sicherung Heckklappe ist ebenfalls im Sicherungskasten hinten links-wird echt so sein dass beim Batteriewechsel was nicht festgezogen bzw.vergessen wurde.
Was hat noch Räder bei mir? Sommerfahrzeug Opel Senator B 24V Automatik 1990,C30SE-Opel Mokka A 1,4 LE2 Allrad Autom.,Anhänger Monty B11,800kg,1998
-
frank1110
- 16 kWh - fährt
- Beiträge: 56
- Registriert: 5. Jun 2016 13:41
- Kontaktdaten:
Re: Er will nicht mehr
Die Sicherungen im Kasten sind Alle in Ordnung.bAm Batterieanschluss hab ich an einem Kontakt (sind die Braunen Teile im Bild Sicherungen?) Diese ausgelaufene harzige Masse gesehen und beim Wackeln schlägt es daraus Funken.
Ich gehe mal davon aus, dass das gewechselt werden müsste, dann vielleicht ein Fehler (hoffentlich Alle) verschwinden.
Wir heißt das gute Stück?
Ich gehe mal davon aus, dass das gewechselt werden müsste, dann vielleicht ein Fehler (hoffentlich Alle) verschwinden.
Wir heißt das gute Stück?
-
frank1110
- 16 kWh - fährt
- Beiträge: 56
- Registriert: 5. Jun 2016 13:41
- Kontaktdaten:
Re: Er will nicht mehr
Es ist ganz sicher dieses Teil.
Wenn ich von diesem... Ich taufe ihn mal Sicherungsblock ...den entsprechenden Anschluss entferne und direkt an den Pol der Batterie halte, funktioniert das ganze Auto wieder, wie es soll.
Bisher finde ich nur etwas, wie Chevrolet Volt Sicherungskasten, für über 100€ plus unverschämte 70€ Versand...
Ist mir echt ein wenig zu hochpreisig, für den Blechstreifen...
Gibt es Alternativen?
Wenn ich von diesem... Ich taufe ihn mal Sicherungsblock ...den entsprechenden Anschluss entferne und direkt an den Pol der Batterie halte, funktioniert das ganze Auto wieder, wie es soll.
Bisher finde ich nur etwas, wie Chevrolet Volt Sicherungskasten, für über 100€ plus unverschämte 70€ Versand...
Ist mir echt ein wenig zu hochpreisig, für den Blechstreifen...
Gibt es Alternativen?
-
Loader230V
- 111 kW - voll elektrisch
- Beiträge: 386
- Registriert: 3. Nov 2012 18:18
- Wohnort: 92648
- Kontaktdaten:
Re: Er will nicht mehr
Hallo frank1110, könnte das da sein.....
https://opel.7zap.com/de/car/r12/p/9/1-2/#11
Schimpft sich Sicherungsblock Batterie.
Schöne Grüße, Lothar
https://opel.7zap.com/de/car/r12/p/9/1-2/#11
Schimpft sich Sicherungsblock Batterie.
Schöne Grüße, Lothar
Stell Dir vor es gibt genug Strom und keiner fährt damit.
Wer ist online?
Mitglieder in diesem Forum: Baidu [Spider] und 4 Gäste