Akku im ausgebauten zustand laden

Antworten
Benutzeravatar
Beak
16 kWh - fährt
Beiträge: 20
Registriert: 22. Nov 2016 07:22
Kontaktdaten:

Akku im ausgebauten zustand laden

Beitrag von Beak »

Hallo Ladeexperten,

ich hab meinen Ampera so gut wie komplett zerlegt und würde den Akku gern nach ner Zeit nachladen. Hat jemand Erfahrung/Ahnung, wie man den Akku-Pack am besten lädt, wenn er nicht ans System angeschlossen ist. Das BMS kann ich ja so nicht in Betrieb nehmen.
Danke für Tipps!
Christoph
Benutzeravatar
Andreas Ranftl
1.21 Gigawatt
Beiträge: 1182
Registriert: 21. Nov 2016 22:59
Wohnort: 83377 Vachendorf
Kontaktdaten:

Re: Akku im ausgebauten zustand laden

Beitrag von Andreas Ranftl »

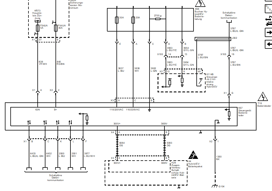
Würde sagen Steckdose,Kabelbaum zu und ab Ladegerät und Richtung Batterie herstellen-Datenverbindungen müssen sein,dann schaun was passiert ;).Ah B+/- 12V Kreis und aktivierung kommunikation hast du noch...
batterie.PNG
batterie.PNG (41.03 KiB) 4789 mal betrachtet
Was hat noch Räder bei mir? Sommerfahrzeug Opel Senator B 24V Automatik 1990,C30SE-Opel Mokka A 1,4 LE2 Allrad Autom.,Anhänger Monty B11,800kg,1998
manwe
111 kW - voll elektrisch
Beiträge: 251
Registriert: 11. Jan 2017 08:57
Kontaktdaten:

Re: Akku im ausgebauten zustand laden

Beitrag von manwe »

Pass nur auf dass es nicht so endet:
https://www.swr.de/swraktuell/rheinland ... u-100.html

Da wird dann gleich wieder die Brandgefahr von Elektroautos dramatisiert weil der "Bastler" seinen Akku unsachgemäss geladen hat :?
Wobei es hier eher so tönt als sei es beim Ausbau passiert.
Benutzeravatar
he2lmuth
1.21 Gigawatt !
Beiträge: 5079
Registriert: 19. Aug 2011 12:16
Kontaktdaten:

Re: Akku im ausgebauten zustand laden

Beitrag von he2lmuth »

Ohne BMS auf keinen Fall :!: :!:

Oder jede Zelle einzeln auf 3,9-4,0 V bei 4,5 A bringen.
L.G. Hellmuth

Es ist keinesfalls ausreichend lediglich keine Überlegungen anstellen zu können, man muss auch unfähig sein diese mitzuteilen.
Benutzeravatar
Beak
16 kWh - fährt
Beiträge: 20
Registriert: 22. Nov 2016 07:22
Kontaktdaten:

Re: Akku im ausgebauten zustand laden

Beitrag von Beak »

Danke!
@Helmuth: So hab ich mir das gedacht. Da das BMS nicht mehrn verfügbar ist, scheint mir das plausibel.
Schöne Grüße
Christoph
Benutzeravatar
he2lmuth
1.21 Gigawatt !
Beiträge: 5079
Registriert: 19. Aug 2011 12:16
Kontaktdaten:

Re: Akku im ausgebauten zustand laden

Beitrag von he2lmuth »

Vielleicht sind 3,8-3,9 V besser denn die Selbstentladung der Batt ist äußerst gering.
L.G. Hellmuth

Es ist keinesfalls ausreichend lediglich keine Überlegungen anstellen zu können, man muss auch unfähig sein diese mitzuteilen.
Benutzeravatar
LambdaCore 21
500 kW - overdrive
Beiträge: 1246
Registriert: 1. Dez 2012 22:34
Wohnort: Goldbach, Unterfranken
Kontaktdaten:

Re: Akku im ausgebauten zustand laden

Beitrag von LambdaCore 21 »

Da ich kein Ladeexperte bin, würde ich mir das offizielle GM Ladegerät für 8000$ kaufen müssen :(

https://youtu.be/atxGJKG8jN0?t=204
Opel Ampera - ePionier - MY12 - CU113*** - 08.2014 bis 05.2025

Bild
Antworten

Wer ist online?

Mitglieder in diesem Forum: 0 Mitglieder und 2 Gäste