Ladeklappe komplett ausgefallen P0CD02
-
kingcopy
- 111 kW - voll elektrisch
- Beiträge: 374
- Registriert: 24. Jun 2014 10:00
- Kontaktdaten:
Ladeklappe komplett ausgefallen P0CD02
Hi all, nun hat die Ladeklappe komplett den Geist aufgegeben, es macht gar nichts mehr, wenn man genau hinhört , hört man noch das Relais im Motoraum klacken aber das wars auch schon, muss wohl der Stellmotor hinne sein... alles Rüteln hilft nichts, der Tut einfach nichts mehr... Ich versuche noch das Relais auszumessen aber auch eine Überbrückung von Kontakt 30 und 87 was sich beim Relais schliessen soll tut nichts....
Jetzt gibt das wieder eine Odissey mit Opel Terminen und Werkstätten von 100 KM....
Relay Test
Vehicle OFF, disconnect the KR119 charge port door relay.
Test for 60-180 Ω between terminals 85 and 86.
⇒ If not within the specified range, replace the KR119 charge port door relay.
Test for infinite resistance between the following terminals:
• 30 and 86
• 30 and 87
• 30 and 85
• 85 and 87
⇒ If not the specified value, replace the KR119 charge port door relay.
Install a 5 A fused jumper wire between relay terminal 85 and 12 V. Install a jumper wire between relay terminal 86 and ground. Test for less than 2 Ω between terminals 30 and 87.
⇒ If greater than the specified range, replace the KR119 charge port door relay.
Hmm
M80 charge port door actuator should release the charge port door allowing it to open.
Jetzt gibt das wieder eine Odissey mit Opel Terminen und Werkstätten von 100 KM....
Relay Test
Vehicle OFF, disconnect the KR119 charge port door relay.
Test for 60-180 Ω between terminals 85 and 86.
⇒ If not within the specified range, replace the KR119 charge port door relay.
Test for infinite resistance between the following terminals:
• 30 and 86
• 30 and 87
• 30 and 85
• 85 and 87
⇒ If not the specified value, replace the KR119 charge port door relay.
Install a 5 A fused jumper wire between relay terminal 85 and 12 V. Install a jumper wire between relay terminal 86 and ground. Test for less than 2 Ω between terminals 30 and 87.
⇒ If greater than the specified range, replace the KR119 charge port door relay.
Hmm
M80 charge port door actuator should release the charge port door allowing it to open.
MfG: Kingcopy
Fachinformatiker/Systemintegration
IT-Systemadministrator
Fachinformatiker/Systemintegration
IT-Systemadministrator
-
BECKER-SYSTEMS
- 16 kWh - fährt
- Beiträge: 37
- Registriert: 9. Jan 2018 22:15
- Wohnort: Koblenz
- Kontaktdaten:
Re: Ladeklappe komplett ausgefallen P0CD02
Hi, bei mir war einfach nur der Seilzug defekt. 
Beste Grüße
-----------------------------------------------------
Ampera 2013, DU..........schwarz
-----------------------------------------------------
Ampera 2013, DU..........schwarz
- NURso
- 111 kW - voll elektrisch
- Beiträge: 340
- Registriert: 5. Jun 2017 16:06
- Kontaktdaten:
Re: Ladeklappe komplett ausgefallen P0CD02
probier mal nen saugnapf. auf öffnen drücken und dann mit den saugnapf die klappe öffnen.
- Andreas Ranftl
- 1.21 Gigawatt
- Beiträge: 1188
- Registriert: 21. Nov 2016 22:59
- Wohnort: 83377 Vachendorf
- Kontaktdaten:
Re: Ladeklappe komplett ausgefallen P0CD02
Links Vorne Rad freiheben und Innenkotschutz ausbauen,es gibt einen Schalter am Scharnier und einen Stecker rechts am Motor der den Riegel betätigt.Stecker bewegen und mit Fernbedienung immer wieder entriegeln bis man den Motor hört,ggf. mit kleinem Hammer auf den Motor klopfen bis der oxidierte Kollektor wieder Strom bekommt und sich dreht.Stecker am Motor hat bestimmt auch Kontaktkorrosion, Spray rein.Danach müsste der Einsatz raus und der Motor zerlegt werden und oxidlösendes Spray rein und den Riegel mit Silikon Fett schmieren.
Was hat noch Räder bei mir? Sommerfahrzeug Opel Senator B 24V Automatik 1990,C30SE-Opel Mokka A 1,4 LE2 Allrad Autom.,Anhänger Monty B11,800kg,1998
- Ampera-Fan
- 500 kW - overdrive
- Beiträge: 978
- Registriert: 12. Aug 2011 19:49
- Wohnort: Fürth/Odenwald
- Kontaktdaten:
Re: Ladeklappe komplett ausgefallen P0CD02
@Andreas
mir scheint, daß es doch viele Probleme mit korrodierten Kontakten gibt.
Ist das jetzt schlecht entwickelt, oder läßt sich das nicht vermeiden?
mir scheint, daß es doch viele Probleme mit korrodierten Kontakten gibt.
Ist das jetzt schlecht entwickelt, oder läßt sich das nicht vermeiden?

ePionier seit 17.11.2010, Ampera-Besitzer seit 19.10.2012 (MJ2013 DU103xxx)
Gesamtverbrauch (Strom plus Benzin) für 103300 km: ca. 23,4 kWh/100km,
Anteil elektrisch/fossil (80,8%/19,2%) - 83473 km mit 14006 kWh=16,6 kWh/100km ab Steckdose - 19408 km mit 1067 ltr.=5,5 ltr./100km, Lebensdauerverbrauch=1,03 ltr./100km (Stand:23.10.2025)
übrigens: der (bezahlte) Strom kommt von EWS (1g CO²/kWh), physikalisch aber oft von der PV-Anlage
- Andreas Ranftl
- 1.21 Gigawatt
- Beiträge: 1188
- Registriert: 21. Nov 2016 22:59
- Wohnort: 83377 Vachendorf
- Kontaktdaten:
Re: Ladeklappe komplett ausgefallen P0CD02
Die Stellmotoren sind wie im z.B. Lenksäulenmodul alle gleich in ihren Eigenschaften und Anfälligkeiten,schlimmer wird's nur wenn die Umgebung und Beanspruchung,Dichtheit usw.sich ändern.
Der normale Nutzer wäscht z.B. seinen Opel NIE,der Wiederverkaufswert und das Image ist das nämlich nicht wert.Innerhalb des Radhauses hinter der Verkleidung gammelt nämlich deine Steckdose ganz schön von hinten.Sogar vom Knall und Blitzen beim anstecken wegen fauligen Anschlüssen war hier im Forum schon die Rede.Ich repariere auch Steuergeräte von Diesel-Modellen die von Schlamm umhüllt durchrosten.
Also wenn waschen dann richtig,vor allem die Dose darf von vorne nicht mit Wasser vollaufen,macht bitte einen Cut 3mm unten im Gummi.
Korridierte Kontakte gibt's meist wegen unterschiedlichen Metallen und Oberflächen der Pins.Elektrochemische Korrosion,in Verbindung mit Dauerfeuchtigkeit õfters ein Problem,Pins haben dann schwarze Punkte an den Berührungspunkten,mit Licht und Lupe gut zu sehen,auch mit deinem Multimeter gut messbar,Kl.87 gegen Masse und dann Motor bewegen,dann siehst du gleich wos hängt.
Der normale Nutzer wäscht z.B. seinen Opel NIE,der Wiederverkaufswert und das Image ist das nämlich nicht wert.Innerhalb des Radhauses hinter der Verkleidung gammelt nämlich deine Steckdose ganz schön von hinten.Sogar vom Knall und Blitzen beim anstecken wegen fauligen Anschlüssen war hier im Forum schon die Rede.Ich repariere auch Steuergeräte von Diesel-Modellen die von Schlamm umhüllt durchrosten.
Also wenn waschen dann richtig,vor allem die Dose darf von vorne nicht mit Wasser vollaufen,macht bitte einen Cut 3mm unten im Gummi.
Korridierte Kontakte gibt's meist wegen unterschiedlichen Metallen und Oberflächen der Pins.Elektrochemische Korrosion,in Verbindung mit Dauerfeuchtigkeit õfters ein Problem,Pins haben dann schwarze Punkte an den Berührungspunkten,mit Licht und Lupe gut zu sehen,auch mit deinem Multimeter gut messbar,Kl.87 gegen Masse und dann Motor bewegen,dann siehst du gleich wos hängt.
Was hat noch Räder bei mir? Sommerfahrzeug Opel Senator B 24V Automatik 1990,C30SE-Opel Mokka A 1,4 LE2 Allrad Autom.,Anhänger Monty B11,800kg,1998
-
kingcopy
- 111 kW - voll elektrisch
- Beiträge: 374
- Registriert: 24. Jun 2014 10:00
- Kontaktdaten:
Re: Ladeklappe komplett ausgefallen P0CD02
Super Tipp Andreas , das versuche ich noch bevor ich mich in die Werkstatt melde...Andreas Ranftl hat geschrieben: 7. Sep 2019 19:58 Links Vorne Rad freiheben und Innenkotschutz ausbauen,es gibt einen Schalter am Scharnier und einen Stecker rechts am Motor der den Riegel betätigt.Stecker bewegen und mit Fernbedienung immer wieder entriegeln bis man den Motor hört,ggf. mit kleinem Hammer auf den Motor klopfen bis der oxidierte Kollektor wieder Strom bekommt und sich dreht.Stecker am Motor hat bestimmt auch Kontaktkorrosion, Spray rein.Danach müsste der Einsatz raus und der Motor zerlegt werden und oxidlösendes Spray rein und den Riegel mit Silikon Fett schmieren.
Das Ding muss sich doch wieder irgendwie rühren...
Zuletzt geändert von kingcopy am 10. Sep 2019 06:30, insgesamt 1-mal geändert.
MfG: Kingcopy
Fachinformatiker/Systemintegration
IT-Systemadministrator
Fachinformatiker/Systemintegration
IT-Systemadministrator
-
kingcopy
- 111 kW - voll elektrisch
- Beiträge: 374
- Registriert: 24. Jun 2014 10:00
- Kontaktdaten:
Re: Ladeklappe komplett ausgefallen P0CD02
Habe alles zerlegt, tatsächlich kam ein Haufen Dreck heraus der wohl dem Actuator zugesetzt hatte. ich konnte tatsächlich das Ding durch leichtes klopfen wieder zum laufen bringen,
alles komplett gereinigt
dann ca. ca. 100 MAL betätigt---
Danach ist er mir direkt komplett abgeschmorrt....hat die komplette Krätze bekommen....KRRRRRRZZZZZZZTTTT!!!!(SCHMOR)
https://www.gmpartsdirect.com/oem-parts ... r-22924954
MUSS HER
Actuator - GM (22924954) mal sehen wie schnell ich ihn bekomme
ANTRIEB - Opel Original Ersatzteil
Opel-Nummer: 2400106
GM-Nummer: 22924954
Teile-Rabatt-Gruppe: C
Teile-Gewicht in kg ca.: 0.097
Lieferumfang: 1 Stück
51,88 EUR
inkl. 19 % MwSt. zzgl. Versandkosten
Hier noch ein paar Bilder: Der Actuator ist mit Nuss Torx E-Profil E4 befestigt...
neue Gehäuseschrauben sind nicht schlecht: Dreck:
5 Tage abwarten.... Sprit verbrennen ohne Ende!
alles komplett gereinigt
dann ca. ca. 100 MAL betätigt---
Danach ist er mir direkt komplett abgeschmorrt....hat die komplette Krätze bekommen....KRRRRRRZZZZZZZTTTT!!!!(SCHMOR)
https://www.gmpartsdirect.com/oem-parts ... r-22924954
MUSS HER
Actuator - GM (22924954) mal sehen wie schnell ich ihn bekomme
ANTRIEB - Opel Original Ersatzteil
Opel-Nummer: 2400106
GM-Nummer: 22924954
Teile-Rabatt-Gruppe: C
Teile-Gewicht in kg ca.: 0.097
Lieferumfang: 1 Stück
51,88 EUR
inkl. 19 % MwSt. zzgl. Versandkosten
Hier noch ein paar Bilder: Der Actuator ist mit Nuss Torx E-Profil E4 befestigt...
neue Gehäuseschrauben sind nicht schlecht: Dreck:
5 Tage abwarten.... Sprit verbrennen ohne Ende!
MfG: Kingcopy
Fachinformatiker/Systemintegration
IT-Systemadministrator
Fachinformatiker/Systemintegration
IT-Systemadministrator
-
kingcopy
- 111 kW - voll elektrisch
- Beiträge: 374
- Registriert: 24. Jun 2014 10:00
- Kontaktdaten:
Es ist vollbracht!
Es ist vollbracht!
Das neue Teil ist endlich gekommen:
Altes Raus, geht mitlerweile richtig schnell:
Rein anstecken , Funktioniert alles neu, Kotflügel wieder zu, Reifen drauf, fertig.
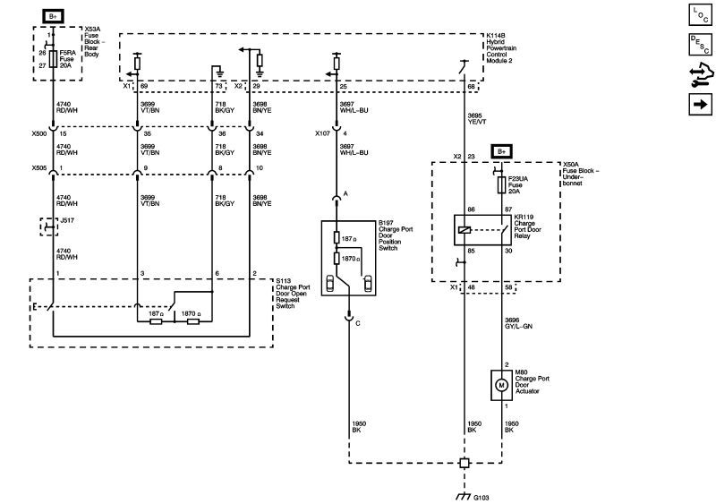
Zu Abschluss noch das komplette Diagramm:
Fehlercodes mit Torque löschen, die History und restlichen Fehler löschen sich nach 50 Schaltzyklen selber...
Meine erste eigene Ampera Reparatur....
Das neue Teil ist endlich gekommen:
Altes Raus, geht mitlerweile richtig schnell:
Rein anstecken , Funktioniert alles neu, Kotflügel wieder zu, Reifen drauf, fertig.
Zu Abschluss noch das komplette Diagramm:
Fehlercodes mit Torque löschen, die History und restlichen Fehler löschen sich nach 50 Schaltzyklen selber...
Meine erste eigene Ampera Reparatur....
MfG: Kingcopy
Fachinformatiker/Systemintegration
IT-Systemadministrator
Fachinformatiker/Systemintegration
IT-Systemadministrator
- Andreas Ranftl
- 1.21 Gigawatt
- Beiträge: 1188
- Registriert: 21. Nov 2016 22:59
- Wohnort: 83377 Vachendorf
- Kontaktdaten:
Re: Ladeklappe komplett ausgefallen P0CD02
...und es geht doch!!
Bzgl.deiner PN:
Hier noch ein Bild von meinem fast H Senator,ja ich bekam ihn in diesem Zustand geschenkt und ist mein Hängerzugpferd seit nunmehr 14 Jahren.
Bzgl.deiner PN:
Hier noch ein Bild von meinem fast H Senator,ja ich bekam ihn in diesem Zustand geschenkt und ist mein Hängerzugpferd seit nunmehr 14 Jahren.
Was hat noch Räder bei mir? Sommerfahrzeug Opel Senator B 24V Automatik 1990,C30SE-Opel Mokka A 1,4 LE2 Allrad Autom.,Anhänger Monty B11,800kg,1998
Wer ist online?
Mitglieder in diesem Forum: 0 Mitglieder und 1 Gast