DriveMode-Schalter funktioniert nicht immer und Anderes
-
mic62
- 16 kWh - fährt
- Beiträge: 46
- Registriert: 5. Apr 2020 15:37
- Wohnort: Münster / Westfalen
- Kontaktdaten:
DriveMode-Schalter funktioniert nicht immer und Anderes
Sei einigen Tagen fahre ich ja nun meinen neuen (gebrauchten) Ampera und bin richtig glücklich damit.
Ich habe allerdings ein paar "Eigenheiten" festgestellt, die ich mir nicht erklären kann:
1) Der DriveMode-Schalter in der Mittelkonsole funktioniert manchmal nicht. Ich kann den Schalter dann drücken wie ich will, ohne dass das Auswahlfenster im InfoDispaly erscheint. Scheint mir aber eher kein Wackelkontakt zu sein. Ist das normal, bzw. etwas womit man sich anfreunden muss?
2) Bei Fahrtbeginn im Erhaltenmodus starte der Wagen trotzdem zunächst im Batteriebetrieb und schaltet den Verbrenner erst nach ca. 100m ein. Sollte er nicht sofort mit Verbrenner starten?
3) Der Ladeziegel hat jetzt ein paar mal den Akku geladen, obwohl unten links im Infodisplay (sinngemäß) stand die Ladung wäre unterbrochen. Ein anderes mal war laut Infodisplay alles o.k., aber auch nach einer Stunde hatte sich der Akkustand nicht geändert. Erst nach erneutem ab- und anstöpseln wurde dann geladen. Die grüne Ladeleuchte vor der Windschutzscheibe hat in allen Fällen geleuchtet.
Der Verkäufer hatte allerdings auch gesagt, dass er den Verdacht hat, dass ein Kontakt im Ladestecker des Ziegels korrodiert sei - also evtl. eine Folge davon?
Sollte ich beim Laden ähnlich wie bei reinen Elektrofahrzeugen vermeiden den Akku voll zu laden, also bis der Wagen die Ladung fertig meldet und abbricht? Oder kann ich ruhig täglich den Akku von jedem Reststand auf voll laden?
Ich hoffe auf den ein oder anderen Hinweis und danke schon mal vorab.
Ich habe allerdings ein paar "Eigenheiten" festgestellt, die ich mir nicht erklären kann:
1) Der DriveMode-Schalter in der Mittelkonsole funktioniert manchmal nicht. Ich kann den Schalter dann drücken wie ich will, ohne dass das Auswahlfenster im InfoDispaly erscheint. Scheint mir aber eher kein Wackelkontakt zu sein. Ist das normal, bzw. etwas womit man sich anfreunden muss?
2) Bei Fahrtbeginn im Erhaltenmodus starte der Wagen trotzdem zunächst im Batteriebetrieb und schaltet den Verbrenner erst nach ca. 100m ein. Sollte er nicht sofort mit Verbrenner starten?
3) Der Ladeziegel hat jetzt ein paar mal den Akku geladen, obwohl unten links im Infodisplay (sinngemäß) stand die Ladung wäre unterbrochen. Ein anderes mal war laut Infodisplay alles o.k., aber auch nach einer Stunde hatte sich der Akkustand nicht geändert. Erst nach erneutem ab- und anstöpseln wurde dann geladen. Die grüne Ladeleuchte vor der Windschutzscheibe hat in allen Fällen geleuchtet.
Der Verkäufer hatte allerdings auch gesagt, dass er den Verdacht hat, dass ein Kontakt im Ladestecker des Ziegels korrodiert sei - also evtl. eine Folge davon?
Sollte ich beim Laden ähnlich wie bei reinen Elektrofahrzeugen vermeiden den Akku voll zu laden, also bis der Wagen die Ladung fertig meldet und abbricht? Oder kann ich ruhig täglich den Akku von jedem Reststand auf voll laden?
Ich hoffe auf den ein oder anderen Hinweis und danke schon mal vorab.
- he2lmuth
- 1.21 Gigawatt !
- Beiträge: 5079
- Registriert: 19. Aug 2011 12:16
- Kontaktdaten:
Re: DriveMode-Schalter funktioniert nicht immer und Anderes
1) Gibt hier Reparaturbericht
2) Nein
3)Möglich, Fall für Werkstatt
2) Nein
3)Möglich, Fall für Werkstatt
L.G. Hellmuth
Es ist keinesfalls ausreichend lediglich keine Überlegungen anstellen zu können, man muss auch unfähig sein diese mitzuteilen.
Es ist keinesfalls ausreichend lediglich keine Überlegungen anstellen zu können, man muss auch unfähig sein diese mitzuteilen.
-
akkusoon
- 111 kW - voll elektrisch
- Beiträge: 482
- Registriert: 15. Mär 2017 17:19
- Wohnort: bei Düsseldorf
- Kontaktdaten:
Re: DriveMode-Schalter funktioniert nicht immer und Anderes
Das mit dem begrenzten Vollladen sehe ich wegen des einmaligen Lademanagement des Amperas als nicht wichtig. Und, es wird eh nur ein Teil der ges. Batt. geladen/genutzt. Das ist eine Besonderheit im Ampera. Auf die Lebensdauer geht eher die Anzahl von Ladevorgängen insgesamt.
Man möge mich korrigieren, wenn ich falsch liege...
https://www.kfztech.de/kfztechnik/alter ... pera_1.htm
(
Zuletzt geändert von akkusoon am 18. Apr 2020 15:42, insgesamt 3-mal geändert.
nie wieder fossil, kein Blutgeld für Spritt !...
- Markus Dippold
- 1.21 Gigawatt
- Beiträge: 4592
- Registriert: 11. Okt 2012 11:46
- Kontaktdaten:
Re: DriveMode-Schalter funktioniert nicht immer und Anderes
Du kannst vollladen.mic62 hat geschrieben: 18. Apr 2020 12:09Sollte ich beim Laden ähnlich wie bei reinen Elektrofahrzeugen vermeiden den Akku voll zu laden, also bis der Wagen die Ladung fertig meldet und abbricht? Oder kann ich ruhig täglich den Akku von jedem Reststand auf voll laden?
"Voll" heißt beim Ampera ohnehin nur ca. 85% Akkuladestand (=10 grüne Balken bei der Batterieanzeige). Mehr geht nicht.
- Opel Ampera ePionier, lithiumweiß, Modelljahr 2012Besitz und Datenerfassung seit 13.12.2012
Kilometerstand: 219997km
179991km elektrisch, 16.15kWh/100km ab Akku
33447km RE-Betrieb, 6.03l/100km
LDV 1.1l, persönlicher LDV 0.96l
Anzahl Akkuvollzyklen: 1816
aktuelle Sommer-Alltagsreichweite: 70km
Stand 31.08.2025
Meine Solaranlage
- he2lmuth
- 1.21 Gigawatt !
- Beiträge: 5079
- Registriert: 19. Aug 2011 12:16
- Kontaktdaten:
Re: DriveMode-Schalter funktioniert nicht immer und Anderes
Das Laden auf nur 85% und Entladen auf 20% ermöglicht erst die hohe Anzahl von Zyklen und damit die 160000 und 8 Jahre.
L.G. Hellmuth
Es ist keinesfalls ausreichend lediglich keine Überlegungen anstellen zu können, man muss auch unfähig sein diese mitzuteilen.
Es ist keinesfalls ausreichend lediglich keine Überlegungen anstellen zu können, man muss auch unfähig sein diese mitzuteilen.
- Andreas Ranftl
- 1.21 Gigawatt
- Beiträge: 1188
- Registriert: 21. Nov 2016 22:59
- Wohnort: 83377 Vachendorf
- Kontaktdaten:
Re: DriveMode-Schalter funktioniert nicht immer und Anderes
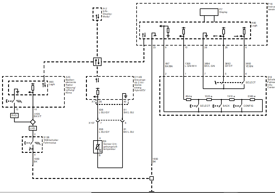
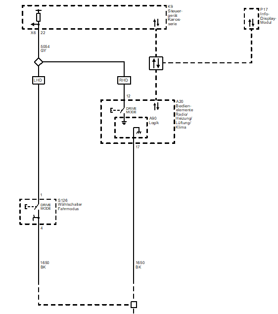
Hab hier mal den Zusammenhang und Busverbindung des Schalters,stelle mir vor Graphitpad drückt auf vergoldete Kontakte-auf jeden Fall mal Rahmen und Schalter raus,zerlegen-Messen des gedrückten Wertes der beiden Schalter vergleichen,Widerstand gegen Masse messen,Pins s.Pläne
---bei mehr als 10 Ohm Widerstand bleibt die Meldung Taster gedrückt INAKTIV-also gedrückt muss er unter 10 haben.
Bei den Goldkontakten wirkt feines Schleifpapier kurz drüber wahre Wunder-Wattestäbchen mit Alkohol,Spiritus und den Pad abtupfen-KEINE Sprays-die lösen den Gummi auf,wird weich!!!
Pin 1 und 4 Kontaktspray,sowie BCM X6 Pin22 Korrosion wäre noch möglich.
---bei mehr als 10 Ohm Widerstand bleibt die Meldung Taster gedrückt INAKTIV-also gedrückt muss er unter 10 haben.
Bei den Goldkontakten wirkt feines Schleifpapier kurz drüber wahre Wunder-Wattestäbchen mit Alkohol,Spiritus und den Pad abtupfen-KEINE Sprays-die lösen den Gummi auf,wird weich!!!
Pin 1 und 4 Kontaktspray,sowie BCM X6 Pin22 Korrosion wäre noch möglich.
Was hat noch Räder bei mir? Sommerfahrzeug Opel Senator B 24V Automatik 1990,C30SE-Opel Mokka A 1,4 LE2 Allrad Autom.,Anhänger Monty B11,800kg,1998
-
mic62
- 16 kWh - fährt
- Beiträge: 46
- Registriert: 5. Apr 2020 15:37
- Wohnort: Münster / Westfalen
- Kontaktdaten:
Re: DriveMode-Schalter funktioniert nicht immer und Anderes
@Andreas Ranftl Das ist nett gemeint, übersteigt was das Durchmessen angeht meine bescheidenen Möglichkeiten und Fähigkeiten aber leider bei Weitem!
Ich denke bis zum Schalter kann ich mich nach einer Videoanleitung die den Ausbau der Mittelkonsolenverkleidung zeigt voran tasten. Danach werde ich einfach versuchen den Schalter "durchzublasen" und evtl. mit Isopropanol zu reinigen und hoffen, dass es danach besser ist.
@akkusoon Danke für den Link, der war sehr informativ.
Ich denke bis zum Schalter kann ich mich nach einer Videoanleitung die den Ausbau der Mittelkonsolenverkleidung zeigt voran tasten. Danach werde ich einfach versuchen den Schalter "durchzublasen" und evtl. mit Isopropanol zu reinigen und hoffen, dass es danach besser ist.
@akkusoon Danke für den Link, der war sehr informativ.
-
mic62
- 16 kWh - fährt
- Beiträge: 46
- Registriert: 5. Apr 2020 15:37
- Wohnort: Münster / Westfalen
- Kontaktdaten:
Re: DriveMode-Schalter funktioniert nicht immer und Anderes
Wer sich ausgedacht hat die Rückfahrkamera so tief direkt über dem Kennzeichen anzubringen gehört meiner Ansicht nach bestraft. Nach der ersten Regenfahrt war im Bild der Rückfahrkamera durch Regentropfen fast nichts zu erkennen.
- Marioderzweite
- 111 kW - voll elektrisch
- Beiträge: 169
- Registriert: 31. Okt 2019 16:48
- Kontaktdaten:
Re: DriveMode-Schalter funktioniert nicht immer und Anderes
https://youtu.be/QnjcsrcHkoM
Das Video ist zwar grottig, mir hat's aber geholfen...
Das Video ist zwar grottig, mir hat's aber geholfen...
-
mic62
- 16 kWh - fährt
- Beiträge: 46
- Registriert: 5. Apr 2020 15:37
- Wohnort: Münster / Westfalen
- Kontaktdaten:
Re: DriveMode-Schalter funktioniert nicht immer und Anderes
@Marioderzweite Danke für den Videolink. Das werde ich morgen als erstes Probieren. Wenn das klappt wäre ja eine Menge Arbeit gespart.
Wer ist online?
Mitglieder in diesem Forum: 0 Mitglieder und 2 Gäste