Lenkung brummt und vibriert
-
Simplicissimus
- 500 kW - overdrive
- Beiträge: 620
- Registriert: 25. Mär 2015 23:52
- Wohnort: Vettelschoß
- Kontaktdaten:
Lenkung brummt und vibriert
Moin,
seit ein paar Tagen habe ich ein etwas seltsames Phänomen: Wenn ich den Ampera einschalte und das Lenkrad auch nur ganz leicht drehe, brummt die Lenkung ca. 2 Sekunden und das Lenkrad vibriert ganz leicht. Hat jemand eine Erfahrung mit dem Problem?
Viele Grüße,
Thorsten
seit ein paar Tagen habe ich ein etwas seltsames Phänomen: Wenn ich den Ampera einschalte und das Lenkrad auch nur ganz leicht drehe, brummt die Lenkung ca. 2 Sekunden und das Lenkrad vibriert ganz leicht. Hat jemand eine Erfahrung mit dem Problem?
Viele Grüße,
Thorsten
Für das was ich schreibe, bin ich verantwortlich.
Was du verstehst ist allein deine Sache!
Was du verstehst ist allein deine Sache!
-
newbie
- 60 kW - range-extended
- Beiträge: 100
- Registriert: 7. Jan 2016 10:57
- Wohnort: Großraum Freiburg
- Kontaktdaten:
Re: Lenkung brummt und vibriert
Hallo,
das Phänomen tritt bei mir häufiger beim Abstellen des Ampera auf, beim Starten hab ich es noch nicht beobachtet....
das Phänomen tritt bei mir häufiger beim Abstellen des Ampera auf, beim Starten hab ich es noch nicht beobachtet....
-
okko
- 111 kW - voll elektrisch
- Beiträge: 467
- Registriert: 31. Mär 2015 21:26
- Wohnort: Dillenburg, LDK
- Kontaktdaten:
Re: Lenkung brummt und vibriert
Das Problem tritt bei mir auch sporadisch auf. Immer direkt nach dem "Hochfahren". Kann es aber nicht zuverlässig provozieren.
Gruß
Jochen
Jochen
-
Simplicissimus
- 500 kW - overdrive
- Beiträge: 620
- Registriert: 25. Mär 2015 23:52
- Wohnort: Vettelschoß
- Kontaktdaten:
Re: Lenkung brummt und vibriert
Moin,
zuverlässig provozieren kann ich es auch nicht. Aber wenn es auftritt, dann nur beim Einschalten. Ein weiterer Faktor scheint die Zeit des Abstellens zu sein: Wenn ich den Wagen nach 5 Minuten Stillstand wieder starte brummt die Lenkung nicht. Nach 20-minütigem Abstellen brummt sie bei der ersten Lenkradberührung ...
Bis dann,
Thorsten
zuverlässig provozieren kann ich es auch nicht. Aber wenn es auftritt, dann nur beim Einschalten. Ein weiterer Faktor scheint die Zeit des Abstellens zu sein: Wenn ich den Wagen nach 5 Minuten Stillstand wieder starte brummt die Lenkung nicht. Nach 20-minütigem Abstellen brummt sie bei der ersten Lenkradberührung ...
Bis dann,
Thorsten
Für das was ich schreibe, bin ich verantwortlich.
Was du verstehst ist allein deine Sache!
Was du verstehst ist allein deine Sache!
-
mibmib
- 111 kW - voll elektrisch
- Beiträge: 412
- Registriert: 22. Sep 2014 09:15
- Kontaktdaten:
Re: Lenkung brummt und vibriert
Jep - hatte ich auch schon...
Mal ist es da - mal ist es weg...
Kann es leider auch nicht reproduzieren...
Mal ist es da - mal ist es weg...
Kann es leider auch nicht reproduzieren...
Ampera - Lithiumweiß - ePionier Edition EZ 02/2013
- Martin
- 500 kW - overdrive
- Beiträge: 1834
- Registriert: 8. Aug 2011 20:56
- Wohnort: Halle / Saale
- Kontaktdaten:
-
Joachim
- 500 kW - overdrive
- Beiträge: 1102
- Registriert: 12. Aug 2011 17:59
- Wohnort: Im Ländle, Hohenlohe
- Kontaktdaten:
Re: Lenkung brummt und vibriert
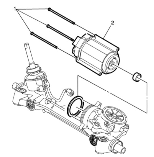
Martin, meinst du mit „Luft“ mechanisches Spiel?
Die Lenkung ist wohl rein Elektromechanisch, also ohne Hydraulik:
Part 2 ist der E-Motor.
Die Lenkung ist wohl rein Elektromechanisch, also ohne Hydraulik:
Part 2 ist der E-Motor.
- Martin
- 500 kW - overdrive
- Beiträge: 1834
- Registriert: 8. Aug 2011 20:56
- Wohnort: Halle / Saale
- Kontaktdaten:
Re: Lenkung brummt und vibriert
Okay, dann fällt die Luft in der Hydraulik aus 
Nicht mal fliegen ist schöner.-
Blackampdriver
- 16 kWh - fährt
- Beiträge: 56
- Registriert: 20. Nov 2013 12:48
- Wohnort: Rheinhessen
- Kontaktdaten:
Re: Lenkung brummt und vibriert
Moin..dafür gibts ein Software update beim FOH...tritt eigentlich hauptsächlich bei Winterbereifung auf..einfach mal nachfragen..sollte eigentlich nix kosten..aber wie gesagt...nachfragen.. 
90.000 km elektrisch mit dem g...sten Auto ever !
-
Simplicissimus
- 500 kW - overdrive
- Beiträge: 620
- Registriert: 25. Mär 2015 23:52
- Wohnort: Vettelschoß
- Kontaktdaten:
Re: Lenkung brummt und vibriert
Ah, danke für die Info - Ende des Monats kommt der sowieso in die Inspektion. Dann sage ich in der Werkstatt bescheid!
Bis dann,
Thorsten
Bis dann,
Thorsten
Für das was ich schreibe, bin ich verantwortlich.
Was du verstehst ist allein deine Sache!
Was du verstehst ist allein deine Sache!
Wer ist online?
Mitglieder in diesem Forum: 0 Mitglieder und 1 Gast